Datasheet LTC3736-1 (Analog Devices) - 8
| Manufacturer | Analog Devices |
| Description | Dual 2-Phase, No RSENSE , Synchronous Controller with Spread Spectrum |
| Pages / Page | 28 / 8 — FU CTIO AL DIAGRA (Controller 1) |
| File Format / Size | PDF / 541 Kb |
| Document Language | English |
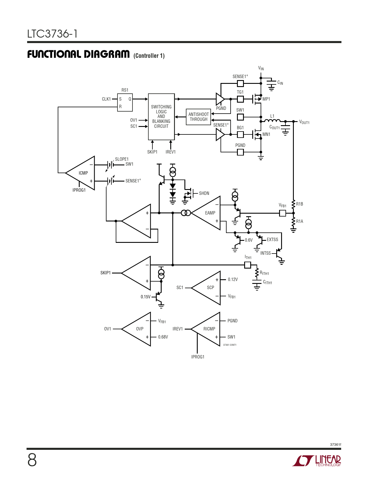
FU CTIO AL DIAGRA (Controller 1)

Model Line for this Datasheet
Text Version of Document
LTC3736-1
U U W FU CTIO AL DIAGRA (Controller 1)
VIN SENSE1+ CIN RS1 TG1 CLK1 S Q MP1 R SWITCHING PGND SW1 LOGIC ANTISHOOT AND L1 OV1 THROUGH BLANKING VOUT1 SC1 SENSE1+ CIRCUIT C BG1 OUT1 MN1 PGND SKIP1 IREV1 SLOPE1 – SW1 ICMP + SENSE1+ IPROG1 SHDN – R1B VFB1 + EAMP + R1A – 0.6V EXTSS INTSS ITH1 – SKIP1 RITH1 + + 0.12V CITH1 SC1 SCP V 0.15V – FB1 – VFB1 – PGND OV1 OVP IREV1 RICMP + 0.68V + SW1 37361 CONT1 IPROG1 37361f 8