Datasheet LTC3736-1 (Analog Devices) - 9
| Manufacturer | Analog Devices |
| Description | Dual 2-Phase, No RSENSE , Synchronous Controller with Spread Spectrum |
| Pages / Page | 28 / 9 — FU CTIO AL DIAGRA (Controller 2) |
| File Format / Size | PDF / 541 Kb |
| Document Language | English |
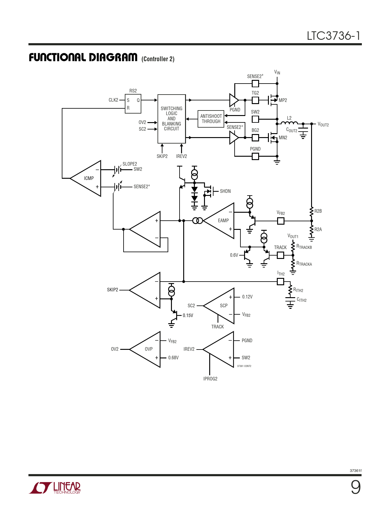
FU CTIO AL DIAGRA (Controller 2)

Model Line for this Datasheet
Text Version of Document
LTC3736-1
U U W FU CTIO AL DIAGRA (Controller 2)
VIN SENSE2+ RS2 TG2 CLK2 S Q MP2 R SWITCHING PGND SW2 LOGIC ANTISHOOT AND L2 OV2 THROUGH BLANKING VOUT2 SC2 SENSE2+ CIRCUIT C BG2 OUT2 MN2 PGND SKIP2 IREV2 SLOPE2 – SW2 ICMP + SENSE2+ SHDN – R2B VFB2 + EAMP + R2A VOUT1 – R TRACK TRACKB 0.6V RTRACKA ITH2 – SKIP2 RITH2 + + 0.12V CITH2 SC2 SCP V 0.15V – FB2 TRACK – VFB2 – PGND OV2 OVP IREV2 + 0.68V + SW2 37361 CONT2 IPROG2 37361f 9