Datasheet HT16D35A/HT16D35B (Holtek) - 2

ManufacturerHoltek
DescriptionRAM Mapping 28×8 Constant Current LED Driver
Pages / Page71 / 2 — HT16D35A/HT16D35B. Block Diagram. Pin Assignment. HT16D35A. HT16D35B. 48 …
Revision1.00
File Format / SizePDF / 2.3 Mb
Document LanguageEnglish

HT16D35A/HT16D35B. Block Diagram. Pin Assignment. HT16D35A. HT16D35B. 48 LQFP-EP-A

HT16D35A/HT16D35B Block Diagram Pin Assignment HT16D35A HT16D35B 48 LQFP-EP-A

Model Line for this Datasheet

Text Version of Document

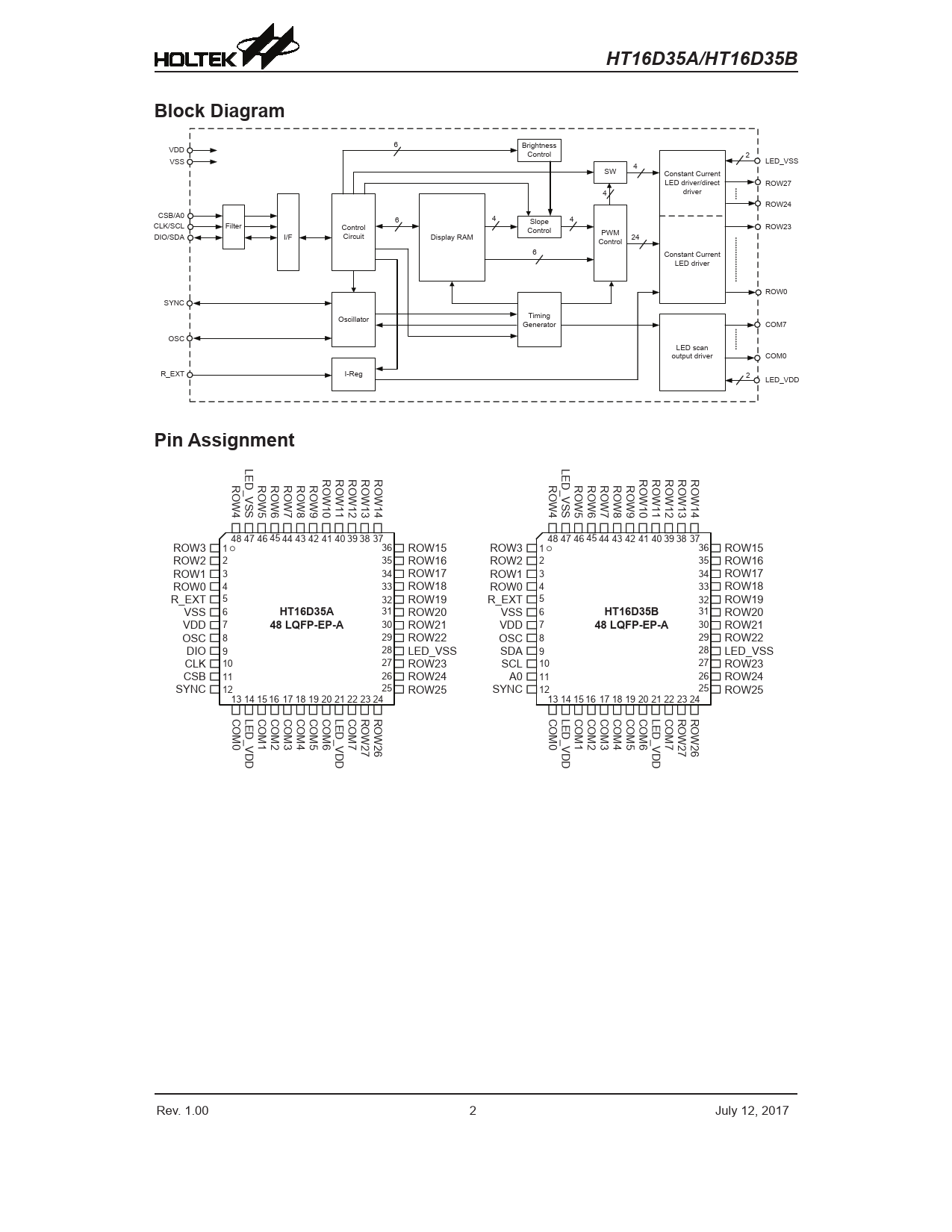
HT16D35A/HT16D35B Block Diagram
6 VDD Brightness Control 2 VSS LED_VSS 4 SW Constant Current LED driver/direct ROW27 driver 4 ROW24 CSB/A0 6 4 4 CLK/SCL Slope Filter Control Control ROW23 DIO/SDA I/F Circuit Display RAM PWM Control 24 6 Constant Current LED driver ROW0 SYNC Timing Oscillator Generator COM7 OSC LED scan output driver COM0 R_EXT I-Reg 2 LED_VDD
Pin Assignment
LED_VSS LED_VSS ROW10 ROW11 ROW12 ROW13 ROW14 R R R R R R ROW10 ROW11 ROW12 ROW13 ROW14 R R R R R R O O O O O O O O O O O O W W W W W W W W W W W W 4 5 6 7 8 9 4 5 6 7 8 9 48 47 46 45 44 43 42 41 40 39 38 37 48 47 46 45 44 43 42 41 40 39 38 37 ROW3 1 36 ROW15 ROW3 1 36 ROW15 ROW2 2 35 ROW16 ROW2 2 35 ROW16 ROW1 3 34 ROW17 ROW1 3 34 ROW17 ROW0 4 33 ROW18 ROW0 4 33 ROW18 R_EXT 5 32 ROW19 R_EXT 5 32 ROW19 VSS 6
HT16D35A
31 ROW20 VSS 6
HT16D35B
31 ROW20 VDD 7
48 LQFP-EP-A
30 ROW21 VDD 7
48 LQFP-EP-A
30 ROW21 OSC 8 29 ROW22 OSC 8 29 ROW22 DIO 9 28 LED_VSS SDA 9 28 LED_VSS CLK 10 27 ROW23 SCL 10 27 ROW23 CSB 11 26 ROW24 A0 11 26 ROW24 SYNC 12 25 ROW25 SYNC 12 25 ROW25 13 14 15 16 17 18 19 20 21 22 23 24 13 14 15 16 17 18 19 20 21 22 23 24 COM0 L COM1 COM2 COM3 COM4 COM5 COM6 L COM7 E E ROW27 ROW26 COM0 L COM1 COM2 COM3 COM4 COM5 COM6 L COM7 ROW27 ROW26 D D E E D D _ _ V V _ _ D D V V D D D D D D Rev. 1.00 2 July 12, 2017 Document Outline Features Applications General Description Selection Table Block Diagram Pin Assignment Pin Description Absolute Maximum Ratings D.C. Characteristics A.C. Characteristics A.C. Characteristics – SPI 3-wire Serial Bus A.C. Characteristics – I2C Serial Bus Timing Diagrams SPI 3-Wire Serial Bus Timing I2C Bus Timing Power on Reset Timing Functional Description Power-on Reset LED Driver System Oscillator ROW Driver Outputs Column Driver Outputs Address Pointer Over Temperature Protection Constant Current Output Setting the Output Current Load Supply Voltage – LED_V Display Data RAM – DDRAM LED Driver Output Waveform Output Signal Timing Fade Data RAM Universal COM (UCOM) RAM Data Universal SEG (USEG) RAM Data Matrix Masking RAM Data Command Description – Command Table Software Reset Binary/Gray Select Number of COM Outputs Global Blinking Cascade Mode System Control Constant Current Ratio Global Brightness Mode Control Scrolling Control Scrolling Speed COM Pin Control ROW Pin Control Direct Pin Control Read Flag Read Status Write Display Data Write Fade Data Write UCOM Data Write USEG Data Write Matrix Masking Data SPI 3-wire Serial Interface I2C Serial Interface Power Supply Sequence Operation Flow Chart Application Circuits LED Matrix Circuit Single LED IC Application Cascade Function Cascade Control Flow Package Information 48-pin LQFP (7mm×7mm) Outline Dimensions (Exposed Pad)