Datasheet MAX1932 (Maxim) - 10
| Manufacturer | Maxim |
| Description | Digitally Controlled, 0.5% Accurate, Safest APD Bias Supply |
| Pages / Page | 16 / 10 — MAX1932. Digitally. Controlled,. 0.5%. Accurate,. Safest. APD. Bias. … |
| File Format / Size | PDF / 239 Kb |
| Document Language | English |
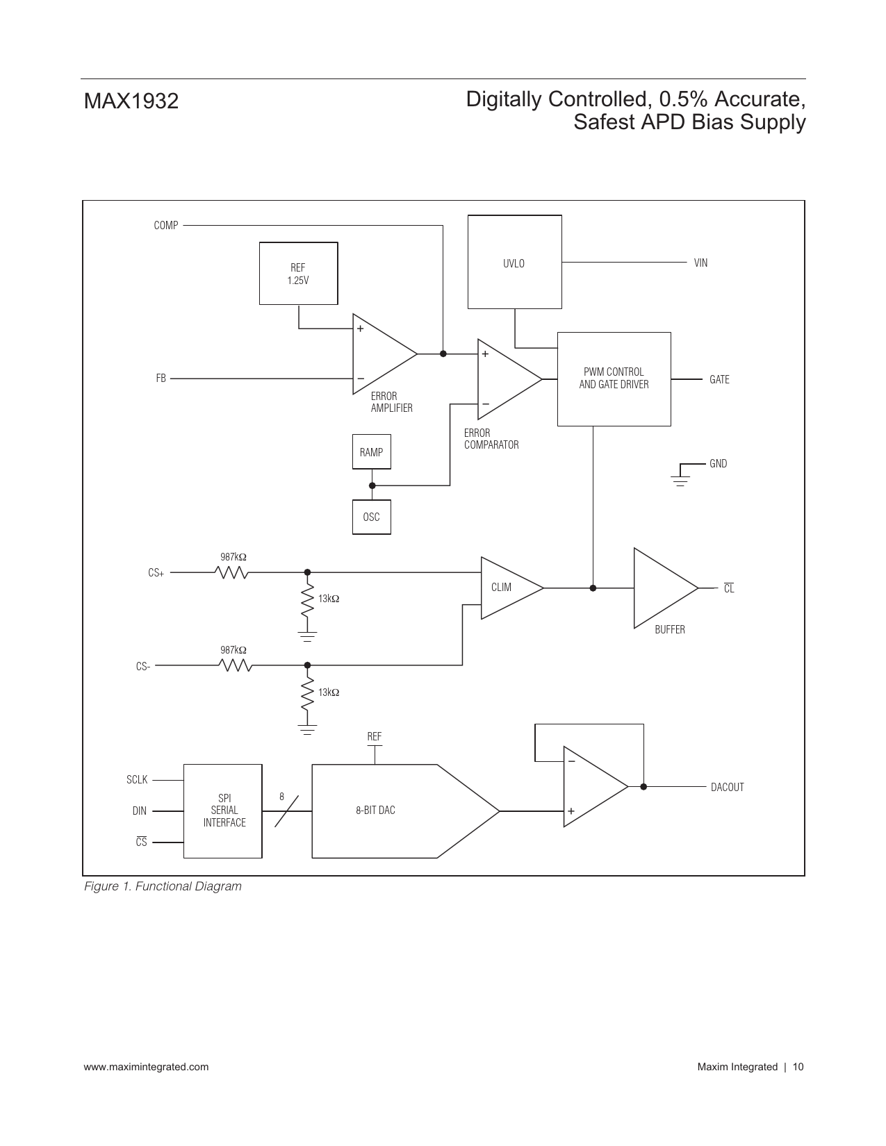
MAX1932. Digitally. Controlled,. 0.5%. Accurate,. Safest. APD. Bias. Supply. COMP. VIN. REF. UVLO. 1.25V. PWM. CONTROL. FB. AND. GATE. DRIVER. GATE. ERROR

Model Line for this Datasheet
Text Version of Document
MAX1932 Digitally Controlled, 0.5% Accurate, Safest APD Bias Supply COMP VIN REF UVLO 1.25V PWM CONTROL FB AND GATE DRIVER GATE ERROR AMPLIFIER ERROR COMPARATOR RAMP GND OSC 987kΩ CS+ CLIM CL 13kΩ BUFFER 987kΩ CS- 13kΩ REF SCLK DACOUT SPI 8 DIN SERIAL 8-BIT DAC INTERFACE CS Figure 1. Functional Diagram www.maximintegrated.com Maxim Integrated | 10