Datasheet LT8609S (Analog Devices) - 10
| Manufacturer | Analog Devices |
| Description | 42V, 2A/3A Peak Synchronous Step-Down Regulator with 2.5μA Quiescent Current |
| Pages / Page | 24 / 10 — BLOCK DIAGRAM |
| Revision | A |
| File Format / Size | PDF / 1.3 Mb |
| Document Language | English |
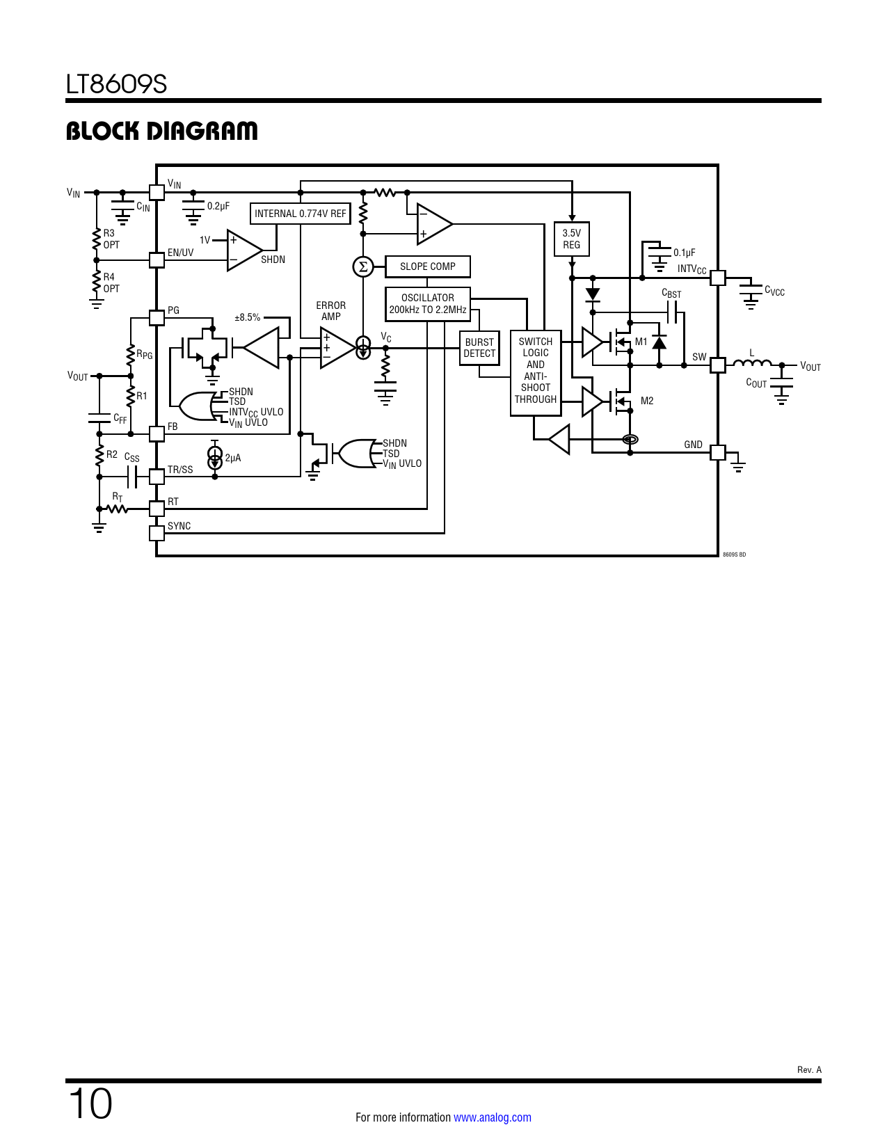
BLOCK DIAGRAM

Text Version of Document
LT8609S
BLOCK DIAGRAM
VIN VIN CIN 0.2µF – INTERNAL 0.774V REF + R3 3.5V 1V + OPT REG EN/UV – 0.1µF SHDN SLOPE COMP INTVCC R4 OPT C OSCILLATOR CBST VCC ERROR PG 200kHz TO 2.2MHz ±8.5% AMP + V + C BURST SWITCH M1 RPG – DETECT LOGIC SW L AND VOUT VOUT ANTI- COUT SHOOT R1 SHDN TSD THROUGH M2 C INTVCC UVLO FF VIN UVLO FB SHDN GND R2 C TSD SS 2µA VIN UVLO TR/SS RT RT SYNC 8609S BD Rev. A 10 For more information www.analog.com Document Outline Features Applications Typical Application Description Absolute Maximum Ratings Order Information Pin Configuration Electrical Characteristics Typical Performance Characteristics Pin Functions Block Diagram Operation Applications Information Typical Applications Package Description Revision History Typical Application Related Parts