Datasheet ADAU1961 (Analog Devices) - 10

ManufacturerAnalog Devices
DescriptionAutomotive Stereo, Low Power, 96 kHz, 24-Bit Audio Codec with Integrated PLL
Pages / Page76 / 10 — ADAU1961. Data Sheet. DIGITAL TIMING DIAGRAMS. tBIH. tLIH. BCLK. tBIL. …
RevisionA
File Format / SizePDF / 1.0 Mb
Document LanguageEnglish

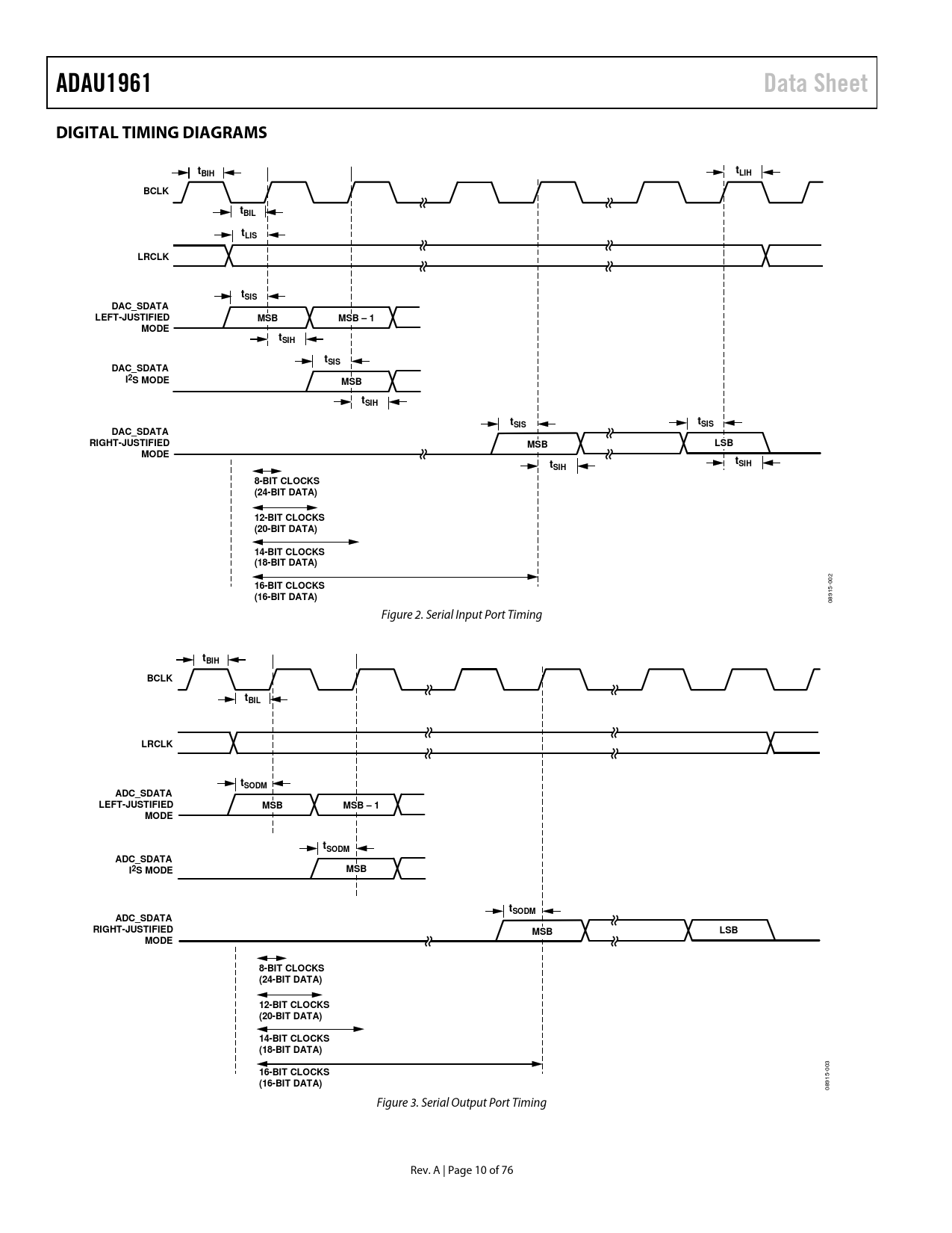
ADAU1961. Data Sheet. DIGITAL TIMING DIAGRAMS. tBIH. tLIH. BCLK. tBIL. tLIS. LRCLK. tSIS. DAC_SDATA. LEFT-JUSTIFIED. MSB. MSB – 1. MODE. tSIH. I2S MODE

ADAU1961 Data Sheet DIGITAL TIMING DIAGRAMS tBIH tLIH BCLK tBIL tLIS LRCLK tSIS DAC_SDATA LEFT-JUSTIFIED MSB MSB – 1 MODE tSIH I2S MODE

Model Line for this Datasheet

Text Version of Document

ADAU1961 Data Sheet DIGITAL TIMING DIAGRAMS tBIH tLIH BCLK tBIL tLIS LRCLK tSIS DAC_SDATA LEFT-JUSTIFIED MSB MSB – 1 MODE tSIH tSIS DAC_SDATA I2S MODE MSB tSIH t t SIS SIS DAC_SDATA RIGHT-JUSTIFIED MSB LSB MODE t t SIH SIH 8-BIT CLOCKS (24-BIT DATA) 12-BIT CLOCKS (20-BIT DATA) 14-BIT CLOCKS (18-BIT DATA)
02
16-BIT CLOCKS
0 5-
(16-BIT DATA)
91 08 Figure 2. Serial Input Port Timing
tBIH BCLK tBIL LRCLK tSODM ADC_SDATA LEFT-JUSTIFIED MSB MSB – 1 MODE tSODM ADC_SDATA I2S MODE MSB tSODM ADC_SDATA RIGHT-JUSTIFIED MSB LSB MODE 8-BIT CLOCKS (24-BIT DATA) 12-BIT CLOCKS (20-BIT DATA) 14-BIT CLOCKS (18-BIT DATA)
03
16-BIT CLOCKS
0 5-
(16-BIT DATA)
91 08 Figure 3. Serial Output Port Timing Rev. A | Page 10 of 76 Document Outline Features Applications General Description Functional Block Diagram Revision History Specifications Analog Performance Specifications, TA = 25 C Analog Performance Specifications, −40 C < TA < +105 C Power Supply Specifications Digital Filters Digital Input/Output Specifications Digital Timing Specifications Digital Timing Diagrams Absolute Maximum Ratings Thermal Resistance ESD Caution Pin Configuration and Function Descriptions Typical Performance Characteristics System Block Diagrams Theory of Operation Startup, Initialization, and Power Power-Up Sequence Power Reduction Modes Digital Power Supply Input/Output Power Supply Clock Generation and Management Case 1: PLL Is Bypassed Case 2: PLL Is Used PLL Lock Acquisition Clocking and Sampling Rates Core Clock Sampling Rates PLL Integer Mode Fractional Mode Record Signal Path Input Signal Paths Analog Microphone Inputs Analog Line Inputs Digital Microphone Input Microphone Bias Analog-to-Digital Converters ADC Full-Scale Level Digital ADC Volume Control High-Pass Filter Automatic Level Control (ALC) ALC Parameters Noise Gate Function Playback Signal Path Output Signal Paths Routing Flexibility Headphone Output Capless Headphone Configuration Headphone Output Power-Up/Power-Down Sequencing Ground-Centered Headphone Configuration Jack Detection Pop-and-Click Suppression Line Outputs Control Ports Burst Mode Writing and Reading I2C Port Addressing I2C Read and Write Operations SPI Port Chip Address R/W Subaddress Data Bytes Serial Data Input/Output Ports Applications Information Power Supply Bypass Capacitors GSM Noise Filter Grounding Exposed Pad PCB Design Control Registers Control Register Details R0: Clock Control, 16,384 (0x4000) R1: PLL Control, 16,386 (0x4002) R2: Digital Microphone/Jack Detection Control, 16,392 (0x4008) R4: Record Mixer Left (Mixer 1) Control 0, 16,394 (0x400A) R5: Record Mixer Left (Mixer 1) Control 1, 16,395 (0x400B) R6: Record Mixer Right (Mixer 2) Control 0, 16,396 (0x400C) R7: Record Mixer Right (Mixer 2) Control 1, 16,397 (0x400D) R8: Left Differential Input Volume Control, 16,398 (0x400E) R9: Right Differential Input Volume Control, 16,399 (0x400F) R10: Record Microphone Bias Control, 16,400 (0x4010) R11: ALC Control 0, 16,401 (0x4011) R12: ALC Control 1, 16,402 (0x4012) R13: ALC Control 2, 16,403 (0x4013) R14: ALC Control 3, 16,404 (0x4014) R15: Serial Port Control 0, 16,405 (0x4015) R16: Serial Port Control 1, 16,406 (0x4016) R17: Converter Control 0, 16,407 (0x4017) R18: Converter Control 1, 16,408 (0x4018) R19: ADC Control, 16,409 (0x4019) R20: Left Input Digital Volume, 16,410 (0x401A) R21: Right Input Digital Volume, 16,411 (0x401B) R22: Playback Mixer Left (Mixer 3) Control 0, 16,412 (0x401C) R23: Playback Mixer Left (Mixer 3) Control 1, 16,413 (0x401D) R24: Playback Mixer Right (Mixer 4) Control 0, 16,414 (0x401E) R25: Playback Mixer Right (Mixer 4) Control 1, 16,415 (0x401F) R26: Playback L/R Mixer Left (Mixer 5) Line Output Control, 16,416 (0x4020) R27: Playback L/R Mixer Right (Mixer 6) Line Output Control, 16,417 (0x4021) R28: Playback L/R Mixer Mono Output (Mixer 7) Control, 16,418 (0x4022) R29: Playback Headphone Left Volume Control, 16,419 (0x4023) R30: Playback Headphone Right Volume Control, 16,420 (0x4024) R31: Playback Line Output Left Volume Control, 16,421 (0x4025) R32: Playback Line Output Right Volume Control, 16,422 (0x4026) R33: Playback Mono Output Control, 16,423 (0x4027) R34: Playback Pop/Click Suppression, 16,424 (0x4028) R35: Playback Power Management, 16,425 (0x4029) R36: DAC Control 0, 16,426 (0x402A) R37: DAC Control 1, 16,427 (0x402B) R38: DAC Control 2, 16,428 (0x402C) R39: Serial Port Pad Control, 16,429 (0x402D) R40: Control Port Pad Control 0, 16,431 (0x402F) R41: Control Port Pad Control 1, 16,432 (0x4030) R42: Jack Detect Pin Control, 16,433 (0x4031) R67: Dejitter Control, 16,438 (0x4036) Outline Dimensions Ordering Guide Automotive Products