Datasheet FSD176MRT (ON Semiconductor) - 3
| Manufacturer | ON Semiconductor |
| Description | Green-Mode Fairchild Power Switch (FPS ) |
| Pages / Page | 19 / 3 — FSD176MRT — Green-Mode Fairchild Power Switch (FPS™) Application Circuit. … |
| Revision | A |
| File Format / Size | PDF / 849 Kb |
| Document Language | English |
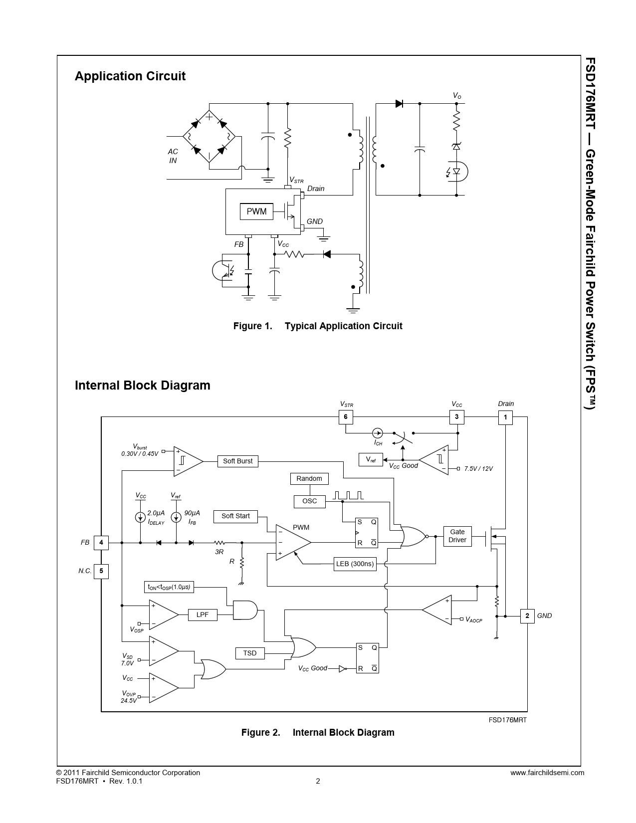
FSD176MRT — Green-Mode Fairchild Power Switch (FPS™) Application Circuit. VO AC. VSTR. Drain GND

Model Line for this Datasheet
Text Version of Document
FSD176MRT — Green-Mode Fairchild Power Switch (FPS™) Application Circuit
VO AC
IN
VSTR
Drain GND
FB VCC Figure 1. Typical Application Circuit Internal Block Diagram
VSTR VCC Drain 6 3 1 ICH Vburst
0.30V / 0.45V Vref Soft Burst VCC Good 7.5V / 12V Random
VCC Vref
2.0µA
IDELAY FB OSC
90µA
IFB Soft Start
PWM 4 S Q R Q Gate
Driver 3R
R
N.C. LEB (300ns) 5
tON