Datasheet NV6123 (Navitas Semiconductor) - 6
| Manufacturer | Navitas Semiconductor |
| Description | 650 V GaNFast Power IC |
| Pages / Page | 23 / 6 — NV6123. Switching Waveforms. VPWM. 50%. VDS. 90%. 10%. OF F. Final … |
| File Format / Size | PDF / 2.4 Mb |
| Document Language | English |
NV6123. Switching Waveforms. VPWM. 50%. VDS. 90%. 10%. OF F. Final Datasheet. Rev Nov 22, 2019

Model Line for this Datasheet
Text Version of Document
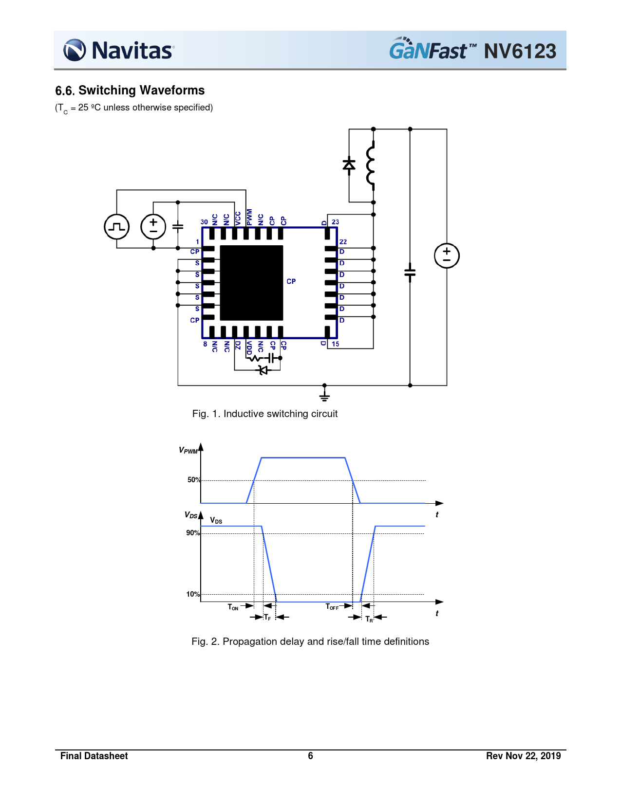
NV6123 Switching Waveforms
(T = 25 ºC unless otherwise specified) C Fig. 1. Inductive switching circuit
VPWM 50% VDS t VDS 90% 10% T T ON OF F t TF TR
Fig. 2. Propagation delay and rise/fall time definitions
Final Datasheet 6 Rev Nov 22, 2019