Datasheet ADCMP370, ADCMP371 (Analog Devices) - 10

ManufacturerAnalog Devices
DescriptionGeneral Purpose Comparators
Pages / Page12 / 10 — ADCMP370/ADCMP371. Data Sheet. VCC = 5V. RPULLUP. CC = 5V. ADCMP370. IN–. …
RevisionD
File Format / SizePDF / 219 Kb
Document LanguageEnglish

ADCMP370/ADCMP371. Data Sheet. VCC = 5V. RPULLUP. CC = 5V. ADCMP370. IN–. OUT. VREF = 2.5V. IN+. RLOAD. ADCMP371. VIN. R1 = 1M. R3 = 1M. R2 = 1M

ADCMP370/ADCMP371 Data Sheet VCC = 5V RPULLUP CC = 5V ADCMP370 IN– OUT VREF = 2.5V IN+ RLOAD ADCMP371 VIN R1 = 1M R3 = 1M R2 = 1M

Model Line for this Datasheet

Text Version of Document

link to page 10 link to page 10
ADCMP370/ADCMP371 Data Sheet
The hysteresis is the difference between these voltage levels and CC V R1 is given by ∆V = IN R2 + RPULLUP V × R1× R2 V CC ∆ =
VCC = 5V
IN (R1× ) R3 + (R2 × ) R1 + (R2 × ) R3
V RPULLUP CC = 5V ADCMP370 IN– OUT VREF = 2.5V IN+ RLOAD ADCMP371 VIN R1 = 1M

R1 IN+ OUT IN– V
031
IN R2
04745-
RLOAD
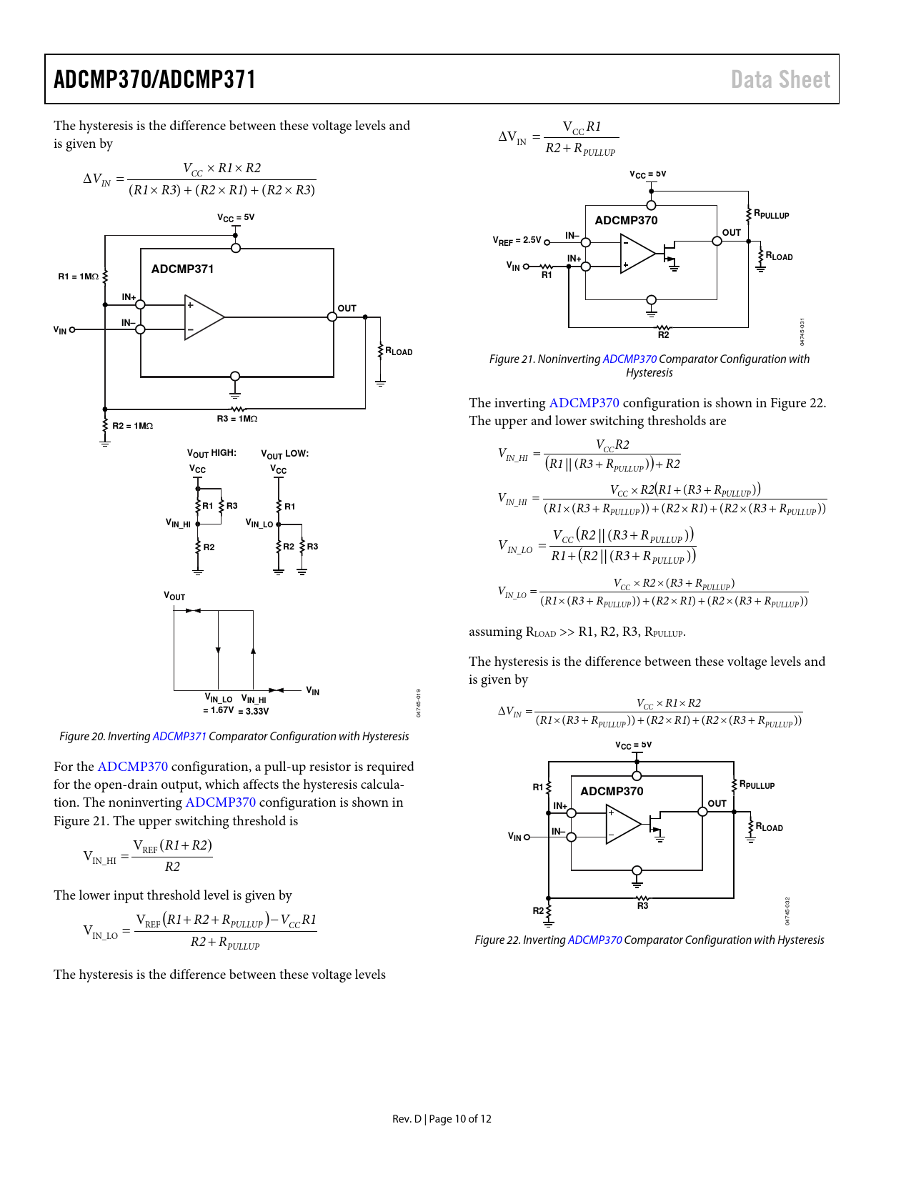
Figure 21. Noninverting ADCMP370 Comparator Configuration with Hysteresis The inverting ADCMP370 configuration is shown in Figure 22.
R3 = 1M
Ω The upper and lower switching thresholds are
R2 = 1M
Ω VCCR2
V
=
OUT HIGH: V
V
OUT LOW:
IN_HI (R1||(R3 + R ))+ PULLUP R2
VCC VCC
V × R2( + + CC R1 (R3 P R ULLUP)) V =
R1 R3 R1
IN_HI (R1×(R3 + + × + × + P R ULLUP)) (R2 ) R1 (R2 (R3 P R ULLUP))
VIN_HI VIN_LO
V ( + CC R2 || (R3 RPULLUP ))
R2 R2 R3
V = IN_LO R1+ (R2 || (R3 + RPULLUP )) × × + CC V R2 (R3 RPULLUP) =
V
V
OUT
IN_LO (R1× (R3 + R + × + × + PULLUP )) (R2 ) R1 (R2 (R3 RPULLUP)) assuming RLOAD >> R1, R2, R3, RPULLUP. The hysteresis is the difference between these voltage levels and is given by
VIN VIN_LO VIN_HI
V × R1× R2
= 1.67V
CC
= 3.33V
V ∆ = 04745-019 IN (R1× (R3 + R + × + × + PULLUP )) (R2 ) R1 (R2 (R3 P R ULLUP)) Figure 20. Inverting ADCMP371 Comparator Configuration with Hysteresis
VCC = 5V
For the ADCMP370 configuration, a pull-up resistor is required for the open-drain output, which affects the hysteresis calcula-
R1 R ADCMP370 PULLUP
tion. The noninverting ADCMP370 configuration is shown in
IN+ OUT
Figure 21. The upper switching threshold is
R IN– LOAD
V (R1+ R2)
VIN
V = REF IN_HI R2 The lower input threshold level is given by 032
R3
V (R1+ R2 + R )−
R2
PULLUP CC V R1 V = REF 04745- IN_LO R2 + R Figure 22. Inverting ADCMP370 Comparator Configuration with Hysteresis PULLUP The hysteresis is the difference between these voltage levels Rev. D | Page 10 of 12 Document Outline Features Applications General Description Functional Block Diagram Table of Contents Revision History Specifications Absolute Maximum Ratings ESD Caution Pin Configurations and Function Description Typical Performance Characteristics Applications Basic Comparator Adding Hysteresis Outline Dimensions Ordering Guide