Datasheet IQE013N04LM6CG (Infineon) - 10
| Manufacturer | Infineon |
| Description | OptiMOS Power-MOSFET, 40V |
| Pages / Page | 13 / 10 — OptiMOSTMPower-MOSFET,40V IQE013N04LM6CG. 5PackageOutlines. MILLIMETERS. … |
| Revision | 02_00 |
| File Format / Size | PDF / 1.4 Mb |
| Document Language | English |
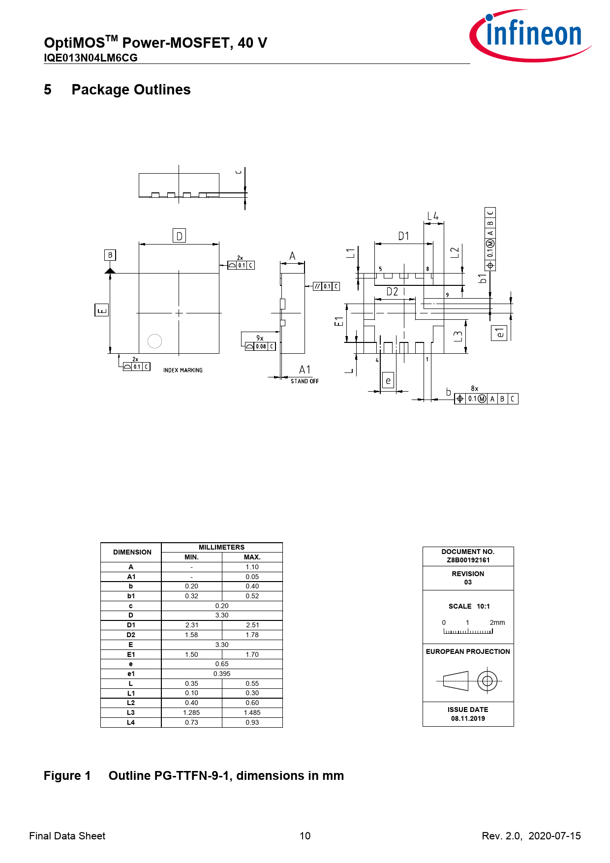
OptiMOSTMPower-MOSFET,40V IQE013N04LM6CG. 5PackageOutlines. MILLIMETERS. DIMENSION. DOCUMENT NO. MIN. MAX. Z8B00192161. REVISION

Model Line for this Datasheet
Text Version of Document
OptiMOSTMPower-MOSFET,40V IQE013N04LM6CG 5PackageOutlines MILLIMETERS DIMENSION DOCUMENT NO. MIN. MAX. Z8B00192161 A
- 1.10
REVISION A1
- 0.05
03 b
0.20 0.40
b1
0.32 0.52
c
0.20
SCALE 10:1 D
3.30 0 1 2mm
D1
2.31 2.51
D2
1.58 1.78
E
3.30
E1
1.50 1.70
EUROPEAN PROJECTION e
0.65
e1
0.395
L
0.35 0.55
L1
0.10 0.30
L2
0.40 0.60
ISSUE DATE L3
1.285 1.485
08.11.2019 L4
0.73 0.93
Figure1OutlinePG-TTFN-9-1,dimensionsinmm
Final Data Sheet 10 Rev.2.0,2020-07-15 Document Outline Description Table of Contents Maximum ratings Thermal characteristics Electrical characteristics Static characteristics Dynamic characteristics Gate charge characteristics Reverse diode Electrical characteristics diagrams Electrical characteristics diagrams Electrical characteristics diagrams Electrical characteristics diagrams Package Outlines Revision History Trademarks Disclaimer