Datasheet 2ED24427N01F (Infineon) - 4
| Manufacturer | Infineon |
| Description | 10 A dual -channel low-side gate driver IC |
| Pages / Page | 21 / 4 — 2ED24427N01F. 10 A dual-channel low-side gate driver IC. Block diagram. … |
| Revision | 02_00 |
| File Format / Size | PDF / 1.3 Mb |
| Document Language | English |
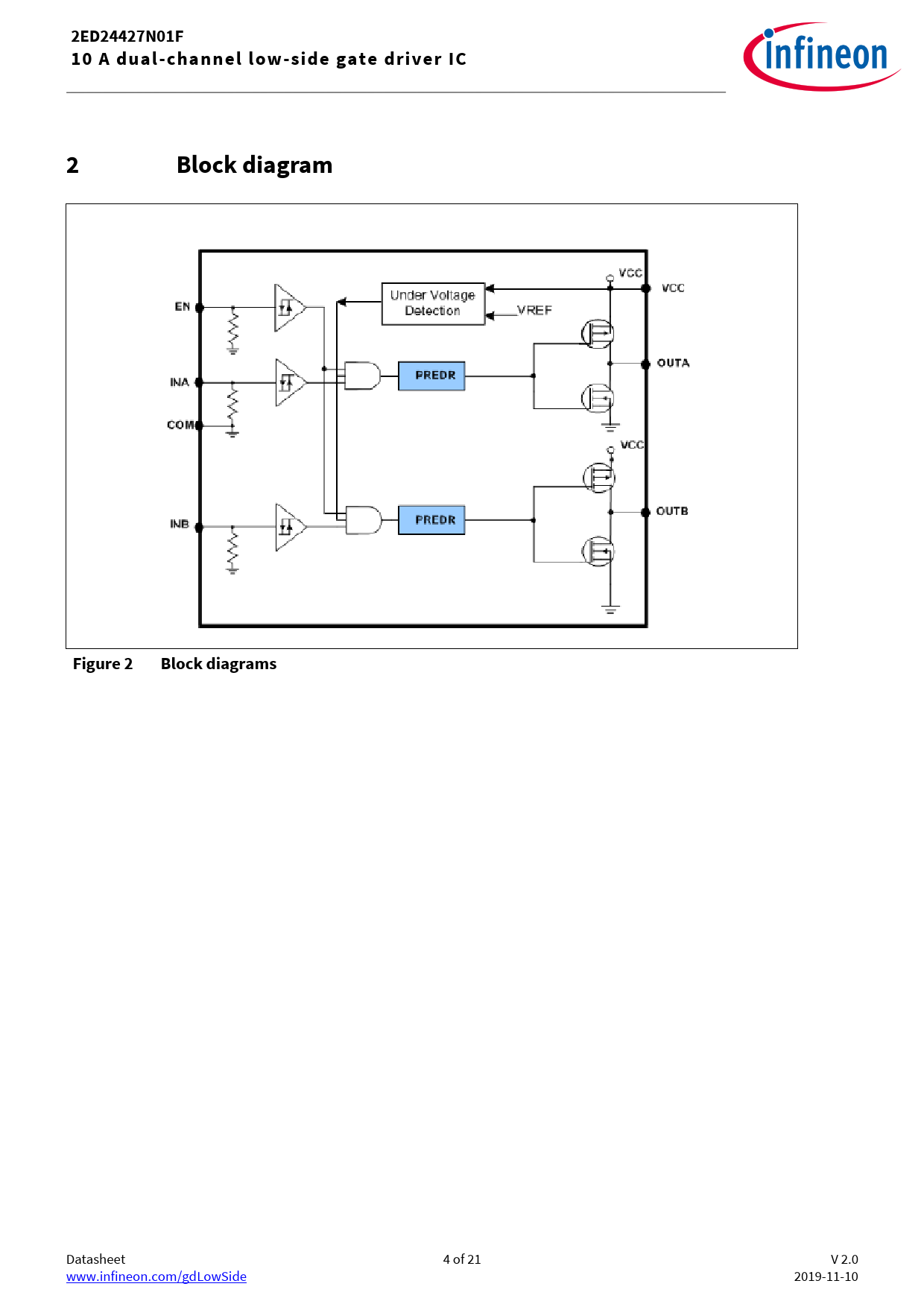
2ED24427N01F. 10 A dual-channel low-side gate driver IC. Block diagram. Figure 2. Block diagrams

Model Line for this Datasheet
Text Version of Document
2ED24427N01F 10 A dual-channel low-side gate driver IC 2 Block diagram Figure 2 Block diagrams
Datasheet 4 of 21 V 2.0 www.infineon.com/gdLowSide 2019-11-10