Datasheet NTD6600N (ON Semiconductor) - 6
| Manufacturer | ON Semiconductor |
| Description | Power MOSFET100 V, 12 A, N−Channel, Logic Level DPAK |
| Pages / Page | 7 / 6 — NTD6600N. PACKAGE DIMENSIONS. DPAK. −T− SEATING. PLANE. INCHES. … |
| Revision | 4 |
| File Format / Size | PDF / 123 Kb |
| Document Language | English |
NTD6600N. PACKAGE DIMENSIONS. DPAK. −T− SEATING. PLANE. INCHES. MILLIMETERS. DIM. MIN. MAX. D 2 PL. SOLDERING FOOTPRINT*. http://onsemi.com

Model Line for this Datasheet
Text Version of Document
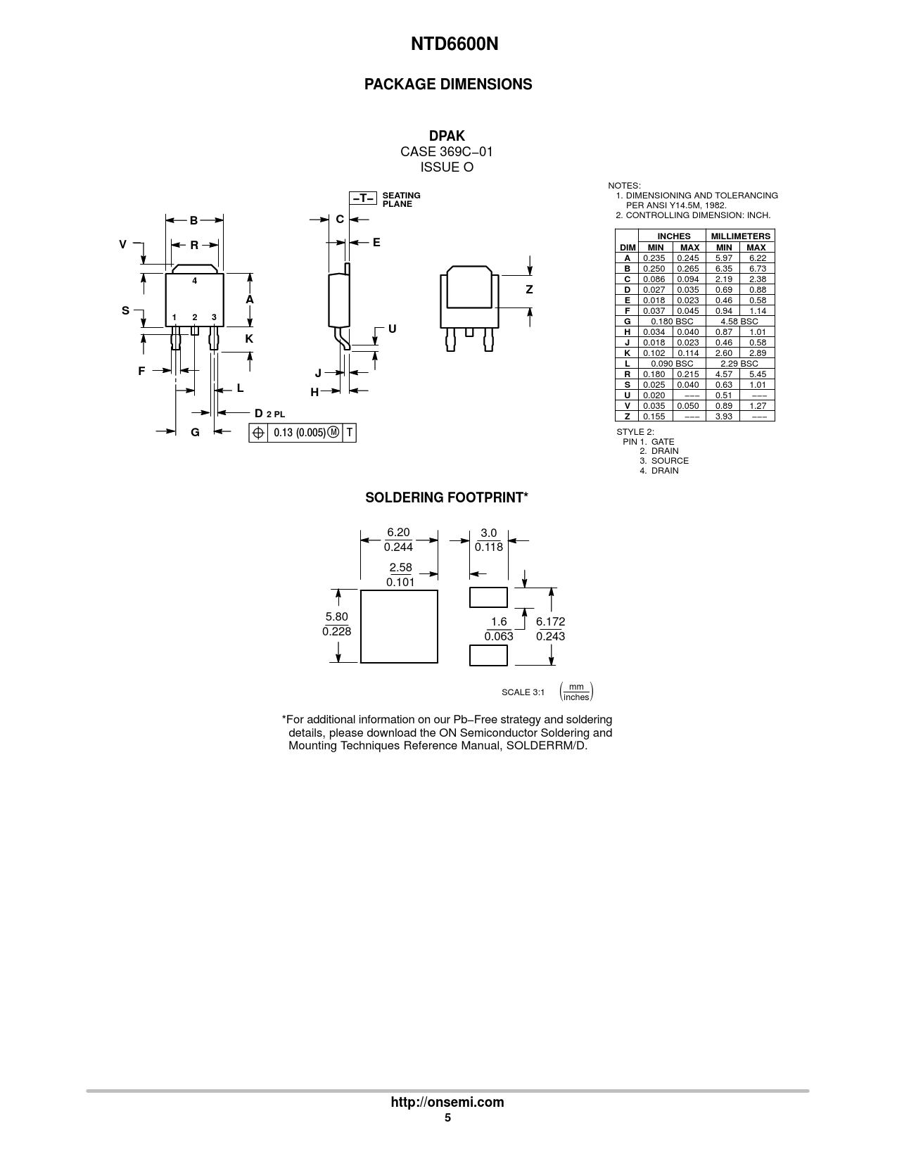
NTD6600N PACKAGE DIMENSIONS DPAK
CASE 369C−01 ISSUE O NOTES:
−T− SEATING
1. DIMENSIONING AND TOLERANCING
PLANE
PER ANSI Y14.5M, 1982. 2. CONTROLLING DIMENSION: INCH.
B C INCHES MILLIMETERS V R E DIM MIN MAX MIN MAX A
0.235 0.245 5.97 6.22
B
0.250 0.265 6.35 6.73
4 C
0.086 0.094 2.19 2.38
Z D
0.027 0.035 0.69 0.88
A E
0.018 0.023 0.46 0.58
S F
0.037 0.045 0.94 1.14
1 2 3 G
0.180 BSC 4.58 BSC
U H
0.034 0.040 0.87 1.01
K J
0.018 0.023 0.46 0.58
K
0.102 0.114 2.60 2.89
L
0.090 BSC 2.29 BSC
F J R
0.180 0.215 4.57 5.45
L S
0.025 0.040 0.63 1.01
H U
0.020 −−− 0.51 −−−
V
0.035 0.050 0.89 1.27
D 2 PL Z
0.155 −−− 3.93 −−−
G
0.13 (0.005) M T STYLE 2: PIN 1. GATE 2. DRAIN 3. SOURCE 4. DRAIN
SOLDERING FOOTPRINT*
6.20 3.0 0.244 0.118 2.58 0.101 5.80 1.6 6.172 0.228 0.063 0.243 SCALE 3:1 ǒ mm Ǔ inches *For additional information on our Pb−Free strategy and soldering details, please download the ON Semiconductor Soldering and Mounting Techniques Reference Manual, SOLDERRM/D.
http://onsemi.com 5