Datasheet TS3702 (STMicroelectronics) - 2

ManufacturerSTMicroelectronics
DescriptionMicropower dual CMOS voltage comparators
Pages / Page11 / 2 — Schematic diagram. TS3702. 1 Schematic. diagram. Figure 1. Schematic …
File Format / SizePDF / 118 Kb
Document LanguageEnglish

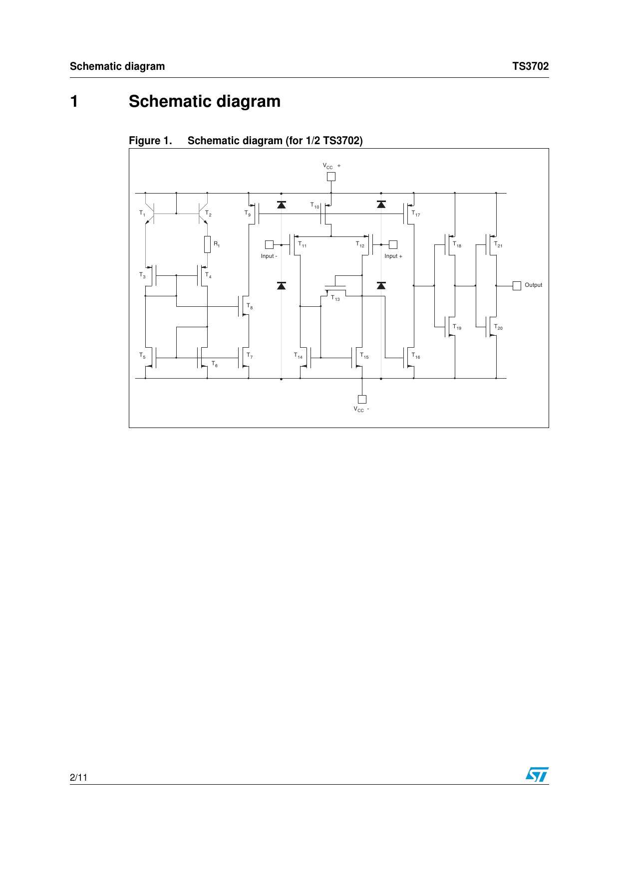
Schematic diagram. TS3702. 1 Schematic. diagram. Figure 1. Schematic diagram (for 1/2 TS3702)

Schematic diagram TS3702 1 Schematic diagram Figure 1 Schematic diagram (for 1/2 TS3702)

Model Line for this Datasheet

Text Version of Document

Schematic diagram TS3702 1 Schematic diagram Figure 1. Schematic diagram (for 1/2 TS3702)
V + CC T10 T T T T 1 2 9 17 R T T T T 1 11 12 18 21 Input - Input + T T 3 4 Output T13 T8 T T 19 20 T T T T T 5 7 14 15 16 T6 V - CC 2/11 Document Outline 1 Schematic diagram Figure 1. Schematic diagram (for 1/2 TS3702) 2 Absolute maximum ratings and operating conditions Table 1. Absolute maximum ratings Table 2. Operating conditions 3 Electrical characteristics Table 3. VCC+ = 3V, Vcc- = 0V, Tamb = 25˚C (unless otherwise specified) Table 4. VCC+ = 5V, Vcc- = 0V, Tamb = 25˚C (unless otherwise specified) 4 Package information 4.1 DIP8 package mechanical data 4.2 SO8 package mechanical data 4.3 TSSOP8 package mechanical data 5 Ordering information Table 5. Order codes 6 Revision history