Datasheet ADG428, ADG429 (Analog Devices) - 9

ManufacturerAnalog Devices
DescriptionLC2MOS Latchable 4-/8-Channel High Performance Analog Multiplexers
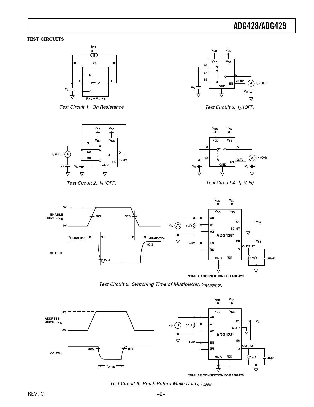
Pages / Page12 / 9 — ADG428/ADG429. TEST CIRCUITS. IDS. VDD. VSS. +0.8V. ID (OFF). GND. RON = …
RevisionC
File Format / SizePDF / 164 Kb
Document LanguageEnglish

ADG428/ADG429. TEST CIRCUITS. IDS. VDD. VSS. +0.8V. ID (OFF). GND. RON = V1/IDS. S (OFF). 2.4V. D (ON). ENABLE. 50%. DRIVE – V. VS1. S2–S7. ADG428*

ADG428/ADG429 TEST CIRCUITS IDS VDD VSS +0.8V ID (OFF) GND RON = V1/IDS S (OFF) 2.4V D (ON) ENABLE 50% DRIVE – V VS1 S2–S7 ADG428*

Model Line for this Datasheet

Text Version of Document

ADG428/ADG429 TEST CIRCUITS IDS VDD VSS V1 VDD VSS S1 S2 D S D S8 +0.8V EN A ID (OFF) GND V VS S VD RON = V1/IDS
Test Circuit 1. On Resistance Test Circuit 3. I (OFF) D
VDD VSS VDD VSS VDD VSS VDD VSS S1 S1 D S2 D I A S (OFF) S8 S8 A I +0.8V 2.4V D (ON) EN EN GND V GND S VD V V S D
Test Circuit 2. I Test Circuit 4. I S (OFF) D (ON)
VDD VSS 3V VDD VSS ENABLE 50% 50% DRIVE – V A0 IN S1 VS1 0V V A1 IN 50
V
S2–S7 A2 ADG428* tTRANSITION tTRANSITION S8 VS8 2.4V EN 90% OUTPUT RS D OUTPUT GND WR 1M
V
35pF 90% *SIMILAR CONNECTION FOR ADG429
Test Circuit 5. Switching Time of Multiplexer, tTRANSITION
VDD VSS V 3V DD VSS A0 ADDRESS S1 V DRIVE – V S IN V A1 IN 50
V
S2–S7 0V A2 ADG428* S8 2.4V EN OUTPUT 80% 80% RS D OUTPUT GND WR 1k
V
35pF tOPEN *SIMILAR CONNECTION FOR ADG429
Test Circuit 6. Break-Before-Make Delay, tOPEN REV. C –9–