Datasheet ADG201A-EP (Analog Devices) - 6
| Manufacturer | Analog Devices |
| Description | LC2MOS Quad SPST Switches |
| Pages / Page | 8 / 6 — ADG201A-EP. TEST CIRCUITS. IDS. S (OFF). D (OFF). ID (ON). ON = V1/ IDS. … |
| File Format / Size | PDF / 178 Kb |
| Document Language | English |
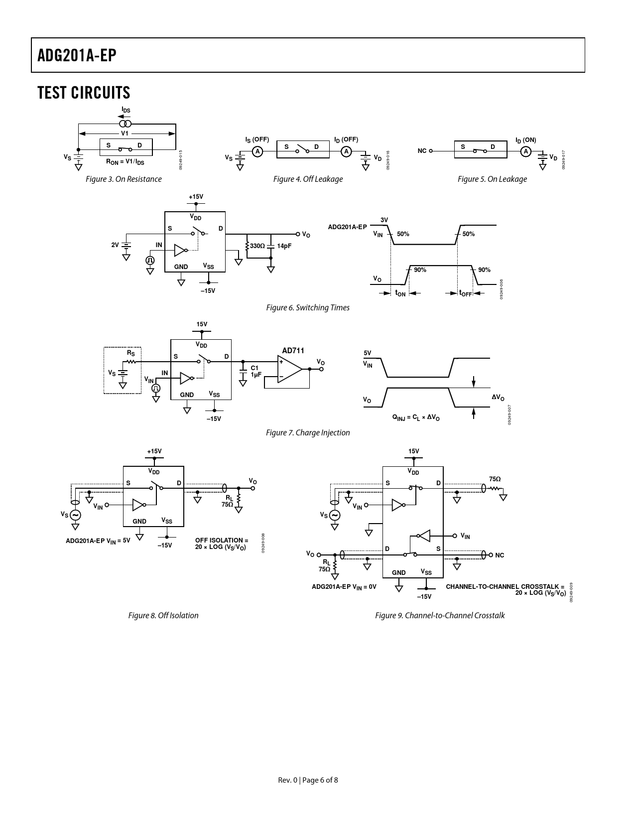
ADG201A-EP. TEST CIRCUITS. IDS. S (OFF). D (OFF). ID (ON). ON = V1/ IDS. +15V. VDD. 50%. 330Ω. 14pF. GND. VSS. 90%. –15V. tON. tOFF. 15V. AD711. VIN. 1µF

Model Line for this Datasheet
Text Version of Document
ADG201A-EP TEST CIRCUITS IDS V1 I I S (OFF) D (OFF) ID (ON) S D S D S D A A NC A V
015 016 017
S V V V R S D D ON = V1/ IDS
09249- 09249- 09249- Figure 3. On Resistance Figure 4. Off Leakage Figure 5. On Leakage
+15V VDD 3V S D ADG201A-EP VO V 50% 50% IN 2V IN 330Ω 14pF GND VSS 90% 90% VO
006
–15V tON tOFF
09249- Figure 6. Switching Times
15V VDD AD711 R 5V S S D VO VIN C1 VS IN 1µF VIN GND VSS V ΔV O O
007
–15V QINJ = CL × ΔVO
09249- Figure 7. Charge Injection
+15V 15V VDD VDD V 75Ω O S D S D RL V 75Ω IN VIN VS VS GND VSS VIN ADG201A-EP V
008
IN = 5V OFF ISOLATION = –15V 20 × LOG (VS/VO) D S
09249-
VO NC RL 75Ω GND VSS ADG201A-EP VIN = 0V CHANNEL-TO-CHANNEL CROSSTALK =
009
20 × LOG (V –15V S/VO)
09249- Figure 8. Off Isolation Figure 9. Channel-to-Channel Crosstalk Rev. 0 | Page 6 of 8 Document Outline Features Enhanced Product Features Functional Block Diagram General Description Product Highlights Revision History Specifications Dual Supply Absolute Maximum Ratings ESD Caution Pin Configuration and Function Descriptions Test Circuits Outline Dimensions Ordering Guide