Datasheet ADG852 (Analog Devices) - 10

ManufacturerAnalog Devices
Description0.8 Ω CMOS, 1.8 V to 5.5 V, SPDT/2:1 Mux Mini LFCSP
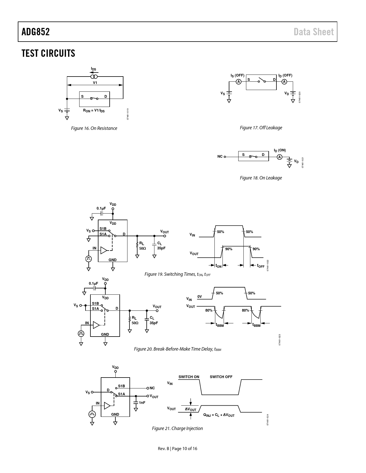
Pages / Page16 / 10 — ADG852. Data Sheet. TEST CIRCUITS. IDS. IS (OFF). ID (OFF). RON = V1/IDS. …
RevisionB
File Format / SizePDF / 205 Kb
Document LanguageEnglish

ADG852. Data Sheet. TEST CIRCUITS. IDS. IS (OFF). ID (OFF). RON = V1/IDS. ID (ON). VDD. 0.1µF. S1B. VOUT. 50%. S1A. VIN. 50Ω. 35pF. 90%. GND. tON. tOFF. OUT. 80%

ADG852 Data Sheet TEST CIRCUITS IDS IS (OFF) ID (OFF) RON = V1/IDS ID (ON) VDD 0.1µF S1B VOUT 50% S1A VIN 50Ω 35pF 90% GND tON tOFF OUT 80%

Model Line for this Datasheet

Text Version of Document

ADG852 Data Sheet TEST CIRCUITS IDS IS (OFF) ID (OFF) S D V1 A A VS VD
020
S D
07461-
VS RON = V1/IDS
019 07461- Figure 16. On Resistance Figure 17. Off Leakage
ID (ON) S D NC A V
021
D
07461- Figure 18. On Leakage
VDD 0.1µF VDD V S1B S VOUT 50% 50% S1A D VIN RL CL IN 50Ω 35pF 90% 90% VOUT GND
022
tON tOFF
07461- Figure 19. Switching Times, tON, tOFF
VDD 0.1µF 50% 50% V 0V DD VIN V S1B S V V OUT OUT S1A D 80% 80% RL CL IN 50Ω 35pF tBBM tBBM GND
023 07461- Figure 20. Break-Before-Make Time Delay, tBBM
VDD SWITCH ON SWITCH OFF VIN S1B NC D VS S1A VOUT IN 1nF VOUT ΔVOUT GND QINJ = CL × ΔVOUT
024 07461- Figure 21. Charge Injection Rev. B | Page 10 of 16 Document Outline Features Applications Functional Block Diagram General Description Product Highlights Revision History Specifications Absolute Maximum Ratings ESD Caution Pin Configuration and Function Description Typical Performance Characteristics Test Circuits Terminology Outline Dimensions Ordering Guide