Datasheet XL4016 (XLSemi) - 3
| Manufacturer | XLSemi |
| Description | 12A 180KHz 40V Buck DC to DC Converter in TO220-5L Package |
| Pages / Page | 10 / 3 — VIN |
| File Format / Size | PDF / 445 Kb |
| Document Language | English |
VIN

Model Line for this Datasheet
Text Version of Document
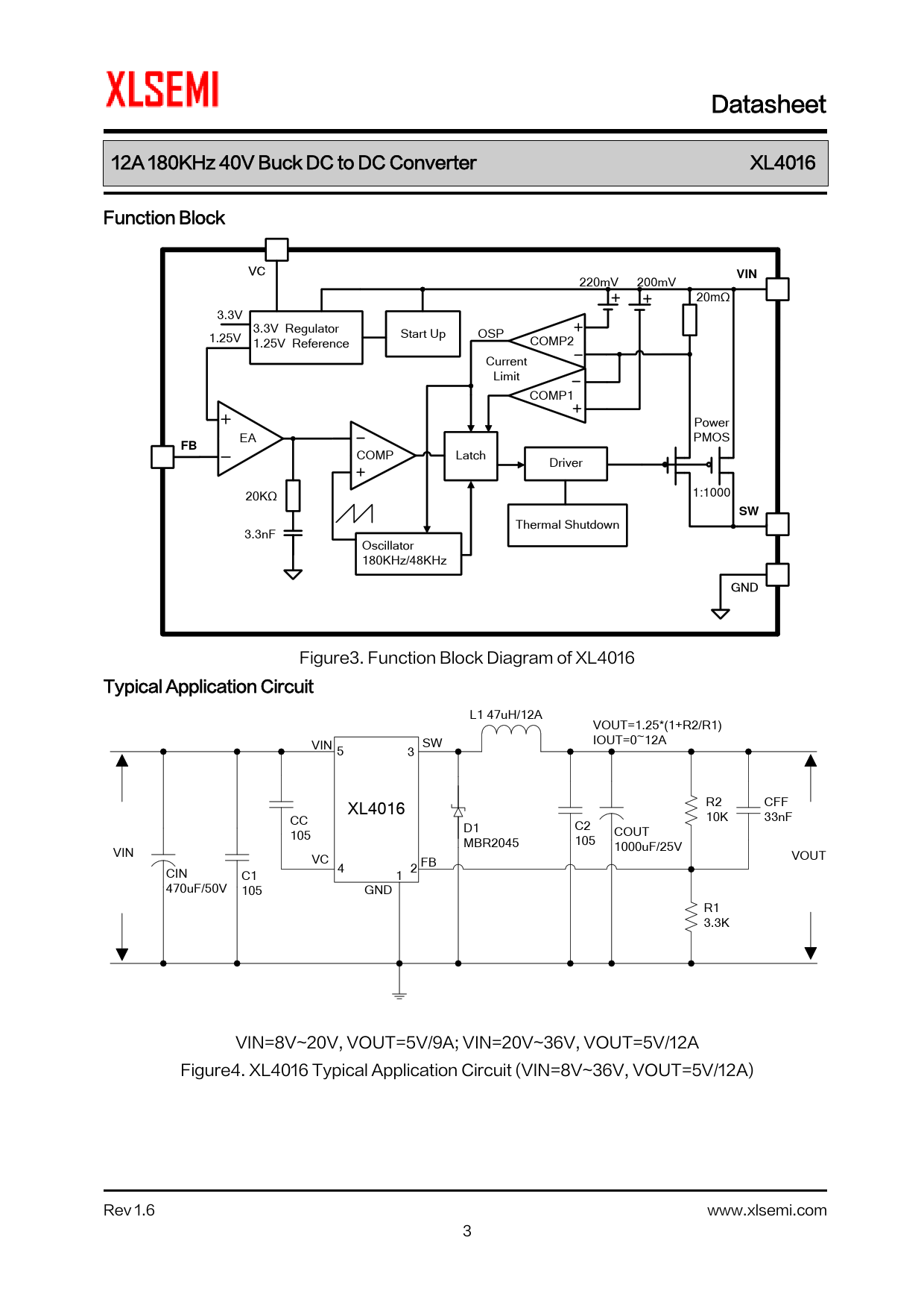
Datasheet 12A 180KHz 40V Buck DC to DC Converter XL4016 Function Block VC
VIN
220mV 200mV 20mΩ 3.3V 3.3V Regulator 1.25V Start Up OSP 1.25V Reference COMP2 Current Limit COMP1 Power EA PMOS
FB
EA COMP Latch Driver 1:1000 20KΩ
SW
Thermal Shutdown 3.3nF Oscillator 180KHz/48KHz GND Figure3. Function Block Diagram of XL4016 Typical Application Circuit L1 47uH/12A VOUT=1.25*(1+R2/R1) IOUT=0~12A VIN SW 5 3 XL4016 R2 CFF 10K CC 33nF D1 C2 COUT 105 MBR2045 105 1000uF/25V VIN VC FB VOUT CIN 4 2 C1 1 470uF/50V 105 GND R1 3.3K VIN=8V~20V, VOUT=5V/9A; VIN=20V~36V, VOUT=5V/12A Figure4. XL4016 Typical Application Circuit (VIN=8V~36V, VOUT=5V/12A) Rev 1.6 www.xlsemi.com 3