Datasheet LM78L05, LM78L09, LM78L12, LM78L15, LM78L62, LM78L82 (Texas Instruments) - 8
| Manufacturer | Texas Instruments |
| Description | LM78LXX Series 3-Terminal Positive Regulators |
| Pages / Page | 21 / 8 — LM78L05. , LM78L09,. LM78L12. , LM78L15. , LM78L62,. LM78L82. www.ti.com. … |
| File Format / Size | PDF / 1.0 Mb |
| Document Language | English |
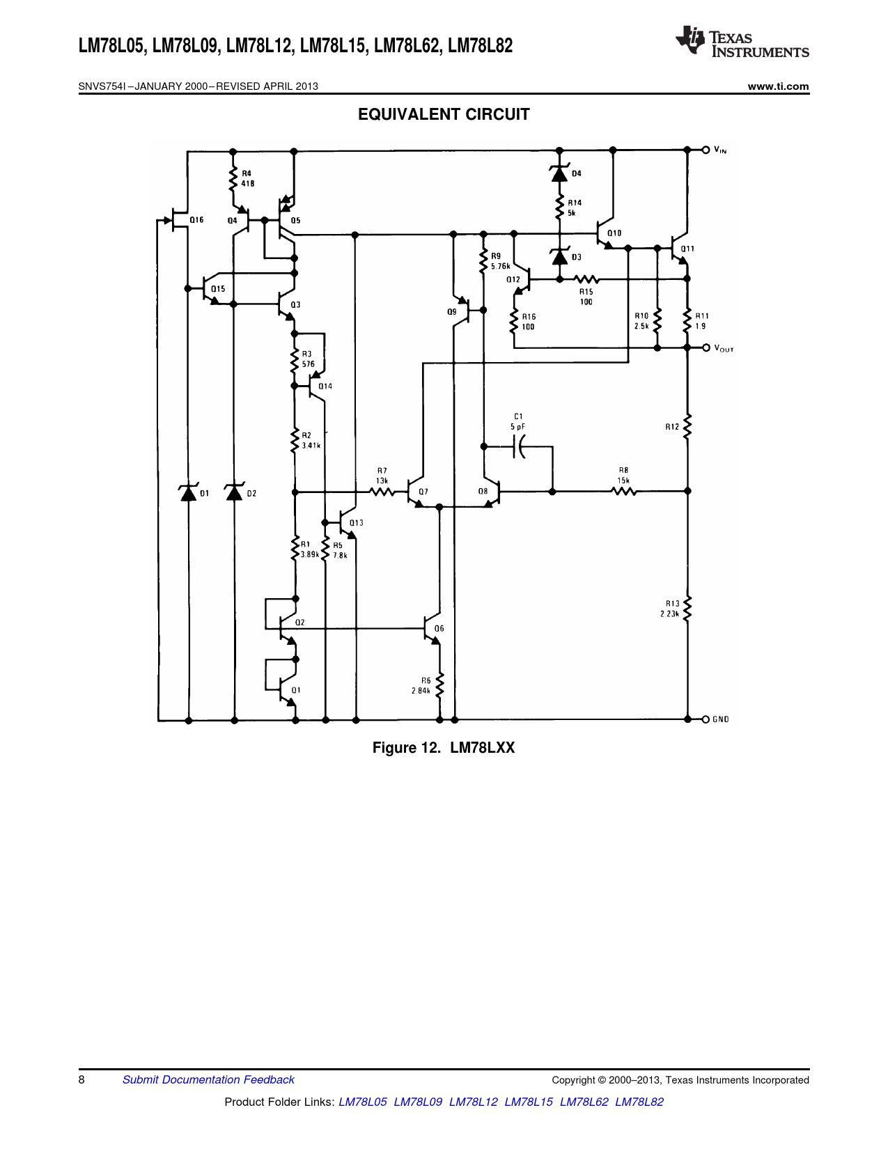
LM78L05. , LM78L09,. LM78L12. , LM78L15. , LM78L62,. LM78L82. www.ti.com. EQUIVALENT CIRCUIT. Figure 12. LM78LXX

Model Line for this Datasheet
Text Version of Document
LM78L05 , LM78L09, LM78L12 , LM78L15 , LM78L62, LM78L82
SNVS754I – JANUARY 2000 – REVISED APRIL 2013
www.ti.com EQUIVALENT CIRCUIT Figure 12. LM78LXX
8 Submit Documentation Feedback Copyright © 2000–2013, Texas Instruments Incorporated Product Folder Links: LM78L05 LM78L09 LM78L12 LM78L15 LM78L62 LM78L82 Document Outline FEATURES DESCRIPTION Connection Diagram DESCRIPTION (continued) Absolute Maximum Ratings LM78LXX Electrical Characteristics LM78L05AC / LM78L05I LM78LXX Electrical Characteristics LM78L62AC LM78LXX Electrical Characteristics LM78L82AC LM78LXX Electrical Characteristics LM78L09AC / LM78L09I LM78LXX Electrical Characteristics LM78L12AC LM78LXX Electrical Characteristics LM78L15AC Typical Performance Characteristics Equivalent Circuit Typical Applications Revision History