Datasheet OPA128 (Texas Instruments) - 9
| Manufacturer | Texas Instruments |
| Description | Difet Electrometer-Grade Operational Amplifier |
| Pages / Page | 11 / 9 — OPA128. INA101HP. REF101 |
| File Format / Size | PDF / 138 Kb |
| Document Language | English |
OPA128. INA101HP. REF101

Model Line for this Datasheet
Text Version of Document
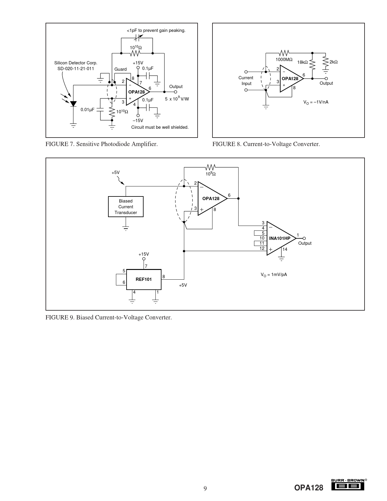
<1pF to prevent gain peaking. 1010Ω 1000MΩ Silicon Detector Corp. +15V 18kΩ 2kΩ SD-020-11-21-011 0.1µF Guard 2 6 8 Current
OPA128
2 3 7 Input Output 6 Output 8
OPA128
5 x 109 V/W 0.1µF 3 V = –1V/nA O 4 0.01µF 1010Ω –15V Circuit must be well shielded. FIGURE 7. Sensitive Photodiode Amplifier. FIGURE 8. Current-to-Voltage Converter. +5V 109Ω 2 6
OPA128
Biased Current 3 8 Transducer 3 4 5 1 10
INA101HP
11 Output 12 14 +15V 7 5 V = 1mV/pA O 8
REF101
6 +5V 4 1 FIGURE 9. Biased Current-to-Voltage Converter. ® 9
OPA128