Datasheet LTC1041 (Analog Devices) - 7

ManufacturerAnalog Devices
DescriptionBANG-BANG Controller
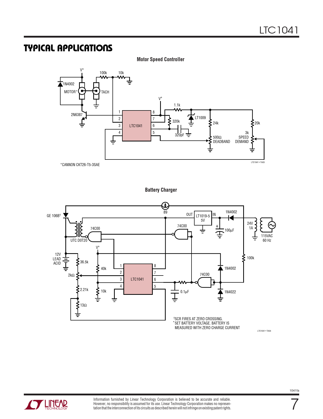
Pages / Page8 / 7 — TYPICAL APPLICATIO S. Motor Speed Controller. Battery Charger
File Format / SizePDF / 176 Kb
Document LanguageEnglish

TYPICAL APPLICATIO S. Motor Speed Controller. Battery Charger

TYPICAL APPLICATIO S Motor Speed Controller Battery Charger

Model Line for this Datasheet

Text Version of Document

LTC1041
U TYPICAL APPLICATIO S Motor Speed Controller
V+ 100k 10k 1N4002 MOTOR* TACH V+ 1.1k 1 8 2N6387 LT1009 2 7 320k 24k 20k 3 LTC1041 6 4 5 3k 320pF 500Ω SPEED DEADBAND DEMAND LTC1041 • TA03 *CANNON CKT26-T5-3SAE
Battery Charger
89 1N4002 OUT IN GE 106B† LT1019-5 5V 24V 74C00 + 74C00 1A 100µF 115VAC UTC D0T20 60 Hz V+ 12V 100k LEAD 36.5k ACID 1 8 40k 1N4002 2 7 2kΩ 74C00 3 LTC1041 6 4 5 2.21k 10k 0.1µF 1N4022 13Ω SCR FIRES A † T ZERO CROSSING. *SET BATTERY VOLTAGE. BATTERY IS MEASURED WITH ZERO CHARGE CURRENT LTC1041 • TA04 1041fa Information furnished by Linear Technology Corporation is believed to be accurate and reliable. However, no responsibility is assumed for its use. Linear Technology Corporation makes no represen- tation that the interconnection of its circuits as described herein will not infringe on existing patent rights. 7