Datasheet LT1510, LT1510-5 (Analog Devices) - 7
| Manufacturer | Analog Devices |
| Description | Constant-Voltage/Constant-Current Battery Charger |
| Pages / Page | 16 / 7 — BLOCK DIAGRAM. TEST CIRCUITS. Test Circuit 1 |
| File Format / Size | PDF / 297 Kb |
| Document Language | English |
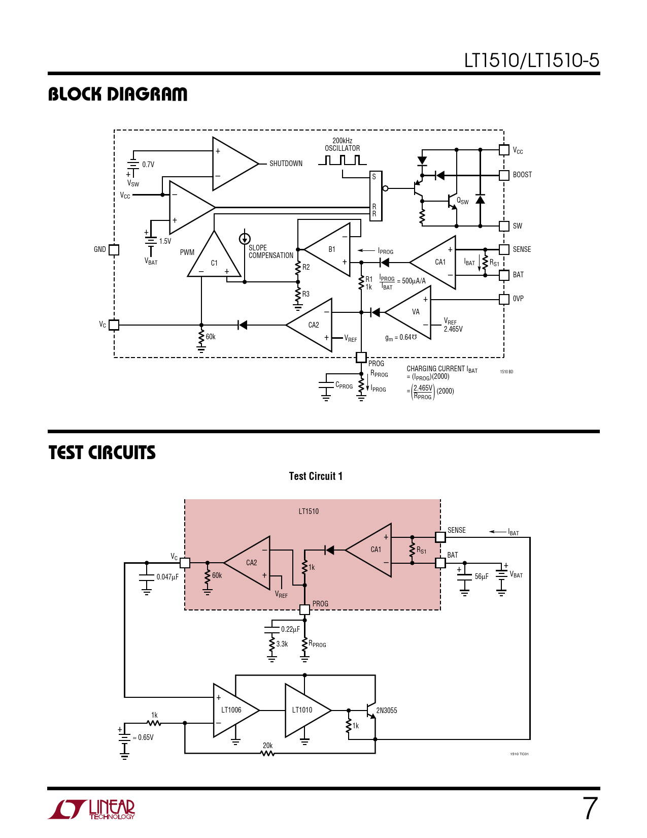
BLOCK DIAGRAM. TEST CIRCUITS. Test Circuit 1

Model Line for this Datasheet
Text Version of Document
LT1510/LT1510-5
W BLOCK DIAGRAM
200kHz + OSCILLATOR VCC 0.7V SHUTDOWN + – S BOOST VSW – VCC QSW R + R SW + – 1.5V GND SLOPE B1 I + PWM PROG SENSE COMPENSATION + VBAT C1 CA1 IBAT RS1 – + R2 I – BAT R1 PROG = 500µA/A 1k IBAT R3 + 0VP – VA V V REF C CA2 – + 2.465V Ω 60k VREF gm = 0.64 PROG CHARGING CURRENT IBAT 1510 BD RPROG = (IPROG)(2000) CPROG IPROG = 2.465V (2000) ( ) RPROG
TEST CIRCUITS Test Circuit 1
LT1510 SENSE I + BAT – CA1 RS1 VC BAT CA2 – 1k + + + V 60k BAT 0.047µF 56µF VREF PROG 0.22µF 3.3k RPROG + LT1006 LT1010 2N3055 1k – 1k + ≈ 0.65V 20k 1510 TC01 7