Datasheet CLS15-22C/L213R/TR8, CLS15-22C/L213G/TR8, CLS15-22C/L213B/TR8 (Everlight) - 2
| Manufacturer | Everlight |
| Description | Single Color Sensor (Analog) |
| Pages / Page | 11 / 2 — Package Dimensions. Anode. Cathode. Unit : mm. Tolerances :. 0.1mm |
| File Format / Size | PDF / 933 Kb |
| Document Language | English |
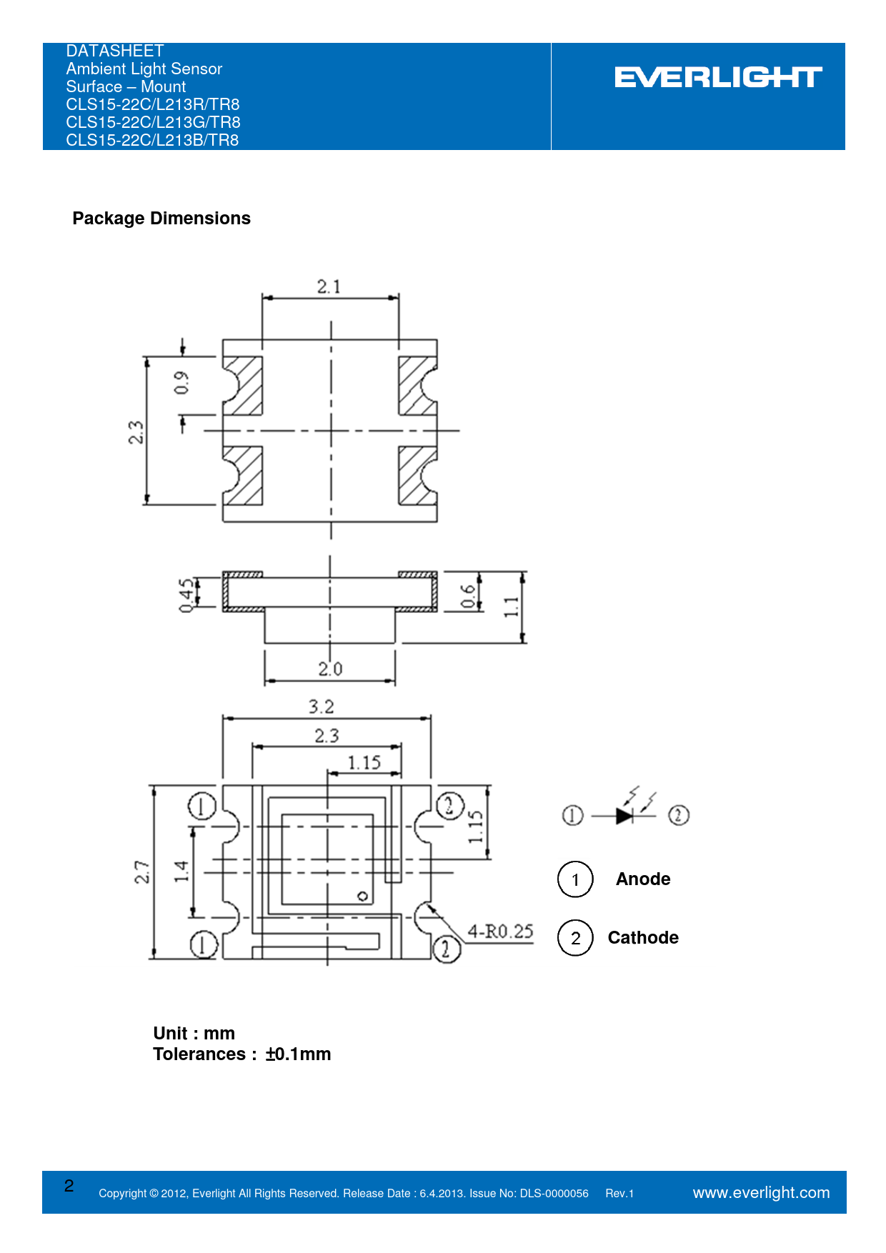
Package Dimensions. Anode. Cathode. Unit : mm. Tolerances :. 0.1mm

Model Line for this Datasheet
Text Version of Document
DATASHEET Ambient Light Sensor Surface – Mount CLS15-22C/L213R/TR8 CLS15-22C/L213G/TR8 CLS15-22C/L213B/TR8
Package Dimensions Anode Cathode Unit : mm Tolerances :
±
0.1mm
2 Copyright © 2012, Everlight All Rights Reserved. Release Date : 6.4.2013. Issue No: DLS-0000056 Rev.1 www.everlight.com