Datasheet TL074 (STMicroelectronics) - 3

ManufacturerSTMicroelectronics
DescriptionLow-noise JFET quad operational amplifier
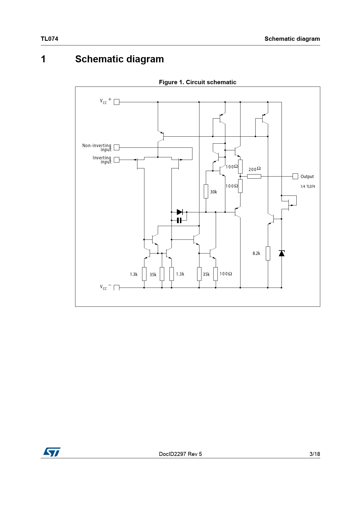
Pages / Page18 / 3 — TL074. Schematic diagram. 1 Schematic. diagram. Figure 1. Circuit …
File Format / SizePDF / 1.3 Mb
Document LanguageEnglish

TL074. Schematic diagram. 1 Schematic. diagram. Figure 1. Circuit schematic

TL074 Schematic diagram 1 Schematic diagram Figure 1 Circuit schematic

Model Line for this Datasheet

Text Version of Document

TL074 Schematic diagram 1 Schematic diagram Figure 1. Circuit schematic
V CC No n- inver ting input I nverting input 1 0 0 Ω 2 0 0 Ω Output 1 0 0 Ω 1/4 TL074 30k 8.2k 1.3k 35k 1.3k 35k 1 0 0 Ω V CC DocID2297 Rev 5 3/18 18 Document Outline 1 Schematic diagram Figure 1. Circuit schematic 2 Absolute maximum ratings and operating conditions Table 1. Absolute maximum ratings Table 2. Operating conditions 3 Electrical characteristics Table 3. VCC = ±15 V, Tamb = +25 °C (unless otherwise specified) Figure 2. Maximum peak-to-peak output voltage versus frequency Figure 3. Maximum peak-to-peak output voltage versus frequency Figure 4. Maximum peak-to-peak output voltage versus frequency Figure 5. Maximum peak-to-peak output voltage versus free air temperature Figure 6. Maximum peak-to-peak output voltage versus load resistance Figure 7. Maximum peak-to-peak output voltage versus supply voltage Figure 8. Input bias current versus free air temperature Figure 9. Large signal differential voltage amplification versus free air temperature Figure 10. Large signal differential voltage amplification and phase shift versus frequency Figure 11. Total power dissipation versus free air temperature Figure 12. Supply current per amplifier versus free air temperature Figure 13. Common mode rejection ratio versus free air temperature Figure 14. Voltage follower large signal pulse response Figure 15. Output voltage versus elapsed time Figure 16. Equivalent input noise voltage versus frequency Figure 17. Total harmonic distortion versus frequency 4 Parameter measurement information Figure 18. Voltage follower Figure 19. Gain-of-10 inverting amplifier 5 Typical applications Figure 20. Audio distribution amplifier Figure 21. Positive feeback bandpass filter Figure 22. Output A Figure 23. Output B 6 Package information 6.1 SO14 package information Figure 24. SO14 package mechanical drawing Table 4. SO14 package mechanical data 7 Ordering information Table 5. Order codes 8 Revision history Table 6. Document revision history