Datasheet VCNL36821S (Vishay) - 3

ManufacturerVishay
DescriptionProximity Sensor With Interrupt, IRED, and I²C Interface
Pages / Page16 / 3 — VCNL36821S. BLOCK DIAGRAM
File Format / SizePDF / 194 Kb
Document LanguageEnglish

VCNL36821S. BLOCK DIAGRAM

VCNL36821S BLOCK DIAGRAM

Model Line for this Datasheet

Text Version of Document

VCNL36821S
www.vishay.com Vishay Semiconductors
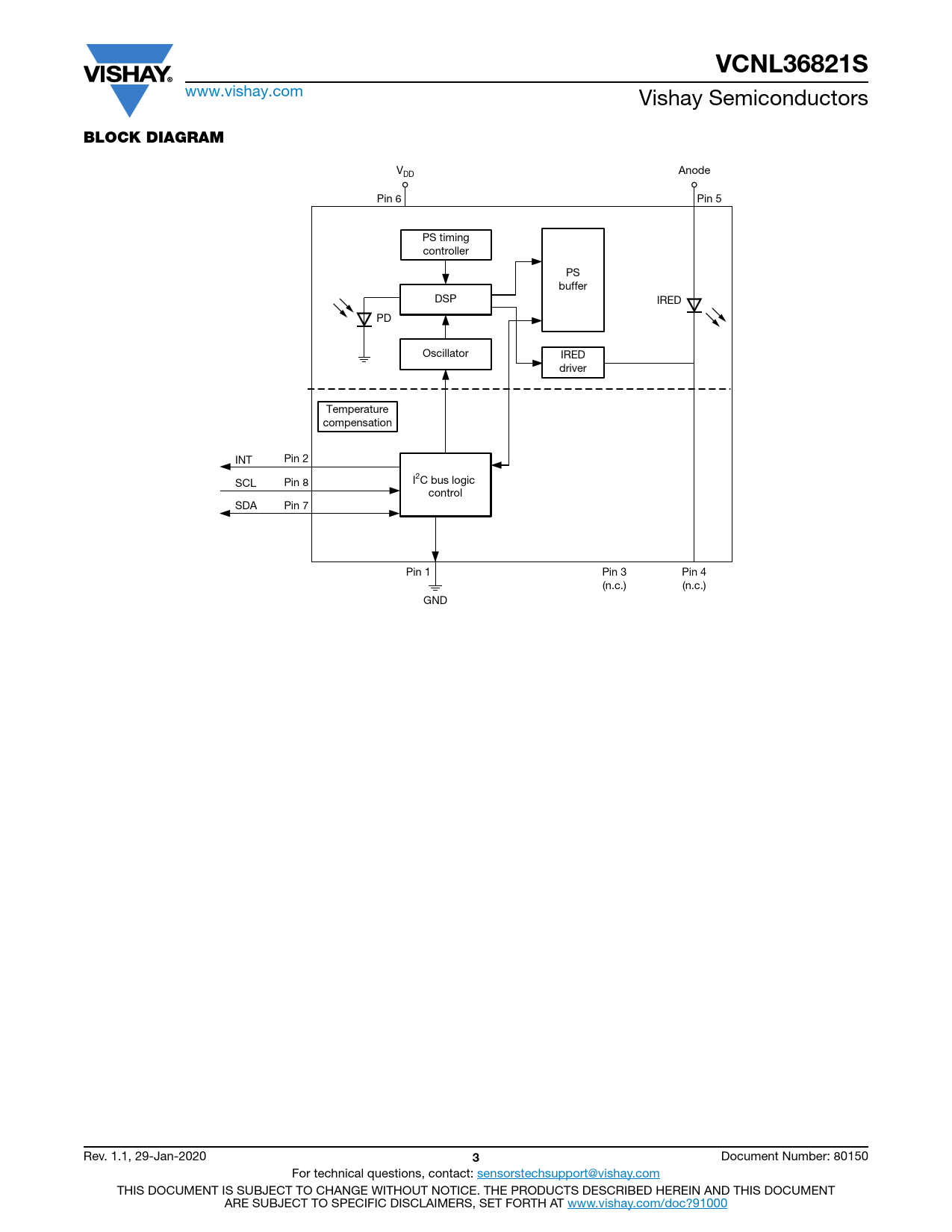
BLOCK DIAGRAM
V Anode DD Pin 6 Pin 5 PS timing controller PS buffer DSP IRED PD Oscillator IRED driver Temperature compensation INT Pin 2 SCL I2C bus logic Pin 8 control SDA Pin 7 Pin 1 Pin 3 Pin 4 (n.c.) (n.c.) GND Rev. 1.1, 29-Jan-2020
3
Document Number: 80150 For technical questions, contact: sensorstechsupport@vishay.com THIS DOCUMENT IS SUBJECT TO CHANGE WITHOUT NOTICE. THE PRODUCTS DESCRIBED HEREIN AND THIS DOCUMENT ARE SUBJECT TO SPECIFIC DISCLAIMERS, SET FORTH AT www.vishay.com/doc?91000