Datasheet ADG706, ADG707 (Analog Devices) - 9

ManufacturerAnalog Devices
DescriptionCMOS, +1.8 V to +5.5 V/ⴞ2.5 V, 2.5 ⍀ Low-Voltage, 8-/16-Channel Multiplexers
Pages / Page12 / 9 — ADG706/ADG707. TEST CIRCUITS. IDS. VDD. VSS. IDOFF. S16. 0.8V. GND. RON = …
RevisionB
File Format / SizePDF / 263 Kb
Document LanguageEnglish

ADG706/ADG707. TEST CIRCUITS. IDS. VDD. VSS. IDOFF. S16. 0.8V. GND. RON = V1/VDS. ISOFF. IDON. 2.4V. ADDRESS. 50%. DRIVE (V. VS1. IN). S1 THRU S15

ADG706/ADG707 TEST CIRCUITS IDS VDD VSS IDOFF S16 0.8V GND RON = V1/VDS ISOFF IDON 2.4V ADDRESS 50% DRIVE (V VS1 IN) S1 THRU S15

Model Line for this Datasheet

Text Version of Document

ADG706/ADG707 TEST CIRCUITS IDS VDD VSS V1 VDD VSS S1 IDOFF S2 D S D A V S16 D VS 0.8V EN VS GND RON = V1/VDS
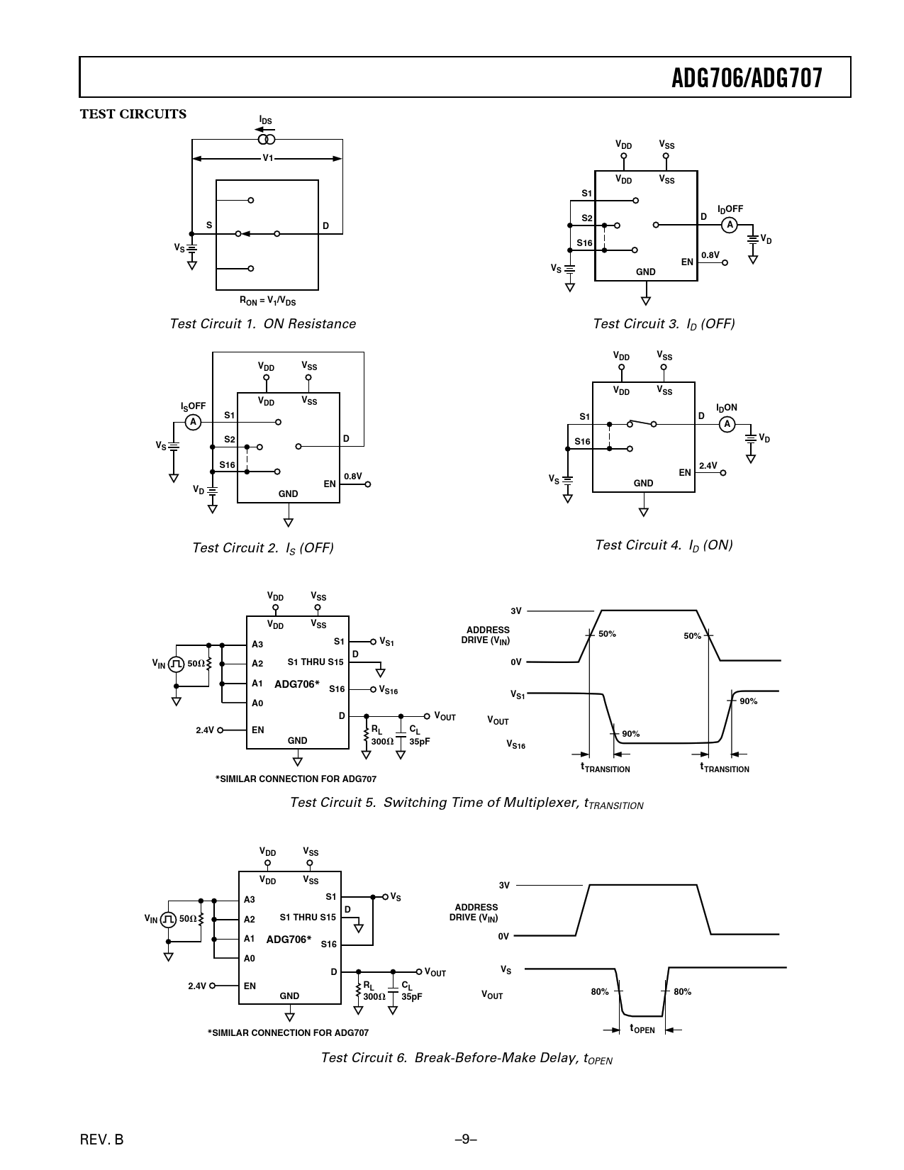
Test Circuit 1. ON Resistance Test Circuit 3. ID (OFF)
VDD VSS VDD VSS VDD VSS VDD VSS ISOFF IDON S1 S1 D A A S2 D VD V S16 S S16 2.4V 0.8V EN V EN S GND VD GND
Test Circuit 2. I Test Circuit 4. I S (OFF) D (ON)
VDD VSS 3V VDD VSS ADDRESS 50% 50% S1 DRIVE (V A3 VS1 IN) D V S1 THRU S15 0V IN 50

A2 A1 ADG706* S16 VS16 VS1 A0 90% D VOUT VOUT 2.4V EN RL CL 90% GND 300

35pF VS16 tTRANSITION tTRANSITION *SIMILAR CONNECTION FOR ADG707
Test Circuit 5. Switching Time of Multiplexer, tTRANSITION
VDD VSS VDD VSS 3V S1 A3 VS D ADDRESS V DRIVE (V IN 50

A2 S1 THRU S15 IN) A1 ADG706* 0V S16 A0 D V V OUT S 2.4V EN RL CL GND 80% 80% 300

35pF VOUT t *SIMILAR CONNECTION FOR ADG707 OPEN
Test Circuit 6. Break-Before-Make Delay, tOPEN REV. B –9–