Datasheet ADG706, ADG707 (Analog Devices) - 10
| Manufacturer | Analog Devices |
| Description | CMOS, +1.8 V to +5.5 V/ⴞ2.5 V, 2.5 ⍀ Low-Voltage, 8-/16-Channel Multiplexers |
| Pages / Page | 12 / 10 — ADG706/ADG707. VDD. VSS. ENABLE. 50%. DRIVE (V. IN). S2 THRU S16. … |
| Revision | B |
| File Format / Size | PDF / 263 Kb |
| Document Language | English |
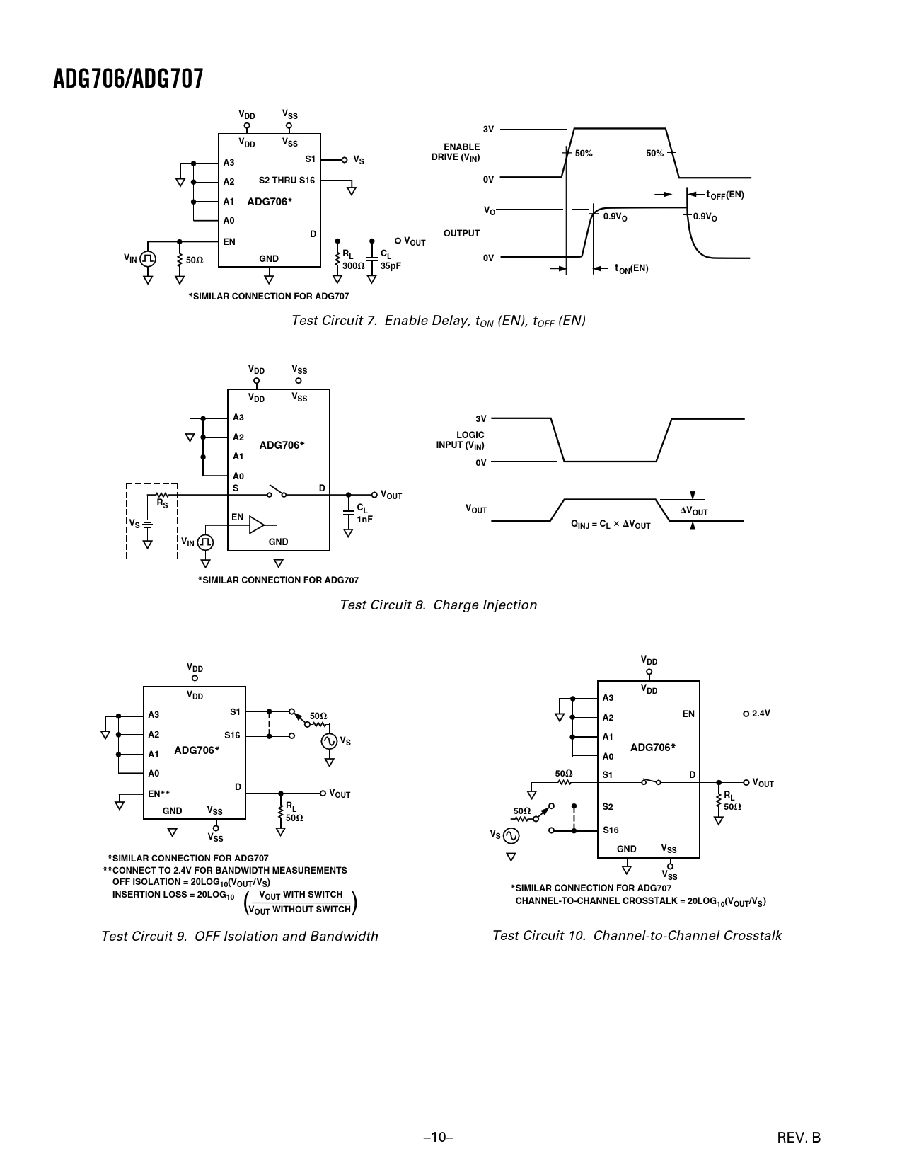
ADG706/ADG707. VDD. VSS. ENABLE. 50%. DRIVE (V. IN). S2 THRU S16. tOFF(EN). ADG706*. 0.9V. OUTPUT. VOUT. GND. 300. 35pF. tON(EN)

Model Line for this Datasheet
Text Version of Document
ADG706/ADG707 VDD VSS 3V VDD VSS ENABLE 50% 50% S1 DRIVE (V A3 VS IN) A2 S2 THRU S16 0V tOFF(EN) A1 ADG706* VO 0.9V 0.9V A0 O O D OUTPUT EN VOUT V R C IN GND 50
⍀
L L 0V 300
⍀
35pF tON(EN) *SIMILAR CONNECTION FOR ADG707
Test Circuit 7. Enable Delay, tON (EN), tOFF (EN)
VDD VSS VDD VSS A3 3V A2 LOGIC ADG706* INPUT (VIN) A1 0V A0 S D VOUT RS CL VOUT
⌬
VOUT EN 1nF VS QINJ = CL
ⴛ ⌬
VOUT VIN GND *SIMILAR CONNECTION FOR ADG707
Test Circuit 8. Charge Injection
V V DD DD V V DD DD A3 S1 A3 50
⍀
A2 EN 2.4V A2 S16 V A1 S ADG706* A1 ADG706* A0 A0 50
⍀
S1 D V D OUT EN** VOUT RL R GND V L S2 50
⍀
SS 50
⍀
50
⍀
S16 V V SS S GND VSS *SIMILAR CONNECTION FOR ADG707 **CONNECT TO 2.4V FOR BANDWIDTH MEASUREMENTS VSS OFF ISOLATION = 20LOG10(VOUT/VS) *SIMILAR CONNECTION FOR ADG707 INSERTION LOSS = 20LOG10 VOUT WITH SWITCH
( )
CHANNEL-TO-CHANNEL CROSSTALK = 20LOG10(VOUT/VS) VOUT WITHOUT SWITCH
Test Circuit 9. OFF Isolation and Bandwidth Test Circuit 10. Channel-to-Channel Crosstalk –10– REV. B