Datasheet IMX (Power Integrations) - 4
| Manufacturer | Power Integrations |
| Description | Off-Line Zero Voltage Switching (ZVS) Flyback Switcher IC For Multi-Output Applications |
| Pages / Page | 36 / 4 — InnoMux2-EP. Block Diagrams. DRAIN. UNDER/OVER. PRIMARY BYPASS. (D). … |
| File Format / Size | PDF / 2.2 Mb |
| Document Language | English |
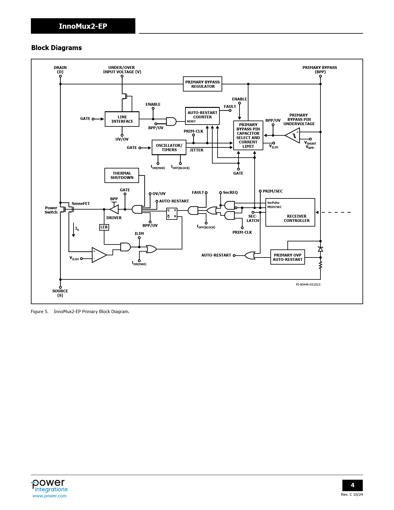
InnoMux2-EP. Block Diagrams. DRAIN. UNDER/OVER. PRIMARY BYPASS. (D). INPUT VOLTAGE (V). (BPP). REGULATOR. ENABLE. FAULT. AUTO-RESTART. PRIMARY

Model Line for this Datasheet
Text Version of Document
InnoMux2-EP Block Diagrams DRAIN UNDER/OVER PRIMARY BYPASS (D) INPUT VOLTAGE (V) (BPP) PRIMARY BYPASS REGULATOR ENABLE ENABLE FAULT AUTO-RESTART PRIMARY GATE LINE COUNTER BYPASS PIN INTERFACE RESET BPP/UV PRIMARY UNDERVOLTAGE BPP/UV PRIM-CLK BYPASS PIN
+
CAPACITOR UV/OV SELECT AND
-
CURRENT V OSCILLATOR/ LIMIT V SHUNT GATE V TIMERS ILIM JITTER BPP- tON(MAX) tOFF(BLOCK) THERMAL GATE SHUTDOWN GATE OV/UV PRIM/SEC FAULT SecREQ BPP AUTO-RESTART SecPulse SenseFET PRIM/SEC Power Q S Switch Q R DRIVER SEC- RECEIVER LATCH CONTROLLER BPP/UV I t LEB OFF(BLOCK) S ILIM PRIM-CLK
+
V AUTO-RESTART PRIMARY OVP ILIM
-
AUTO-RESTART tON(MAX)
PI-8044k-031023
SOURCE (S)
Figure 5. InnoMux2-EP Primary Block Diagram.
4
Rev. C 10/24 www.power.com