Datasheet IMX (Power Integrations) - 5
| Manufacturer | Power Integrations |
| Description | Off-Line Zero Voltage Switching (ZVS) Flyback Switcher IC For Multi-Output Applications |
| Pages / Page | 36 / 5 — InnoMux2-EP. LED OUTPUT. OUTPUT. ALTERNATIVE. SECONDARY. SYNC RECTIFIER. … |
| File Format / Size | PDF / 2.2 Mb |
| Document Language | English |
InnoMux2-EP. LED OUTPUT. OUTPUT. ALTERNATIVE. SECONDARY. SYNC RECTIFIER. VOLTAGE. VOLTAGE 1. SUPPLY. BYPASS. FORWARD. DRIVE. GATE DRIVE 1. (VLED)

Model Line for this Datasheet
Text Version of Document
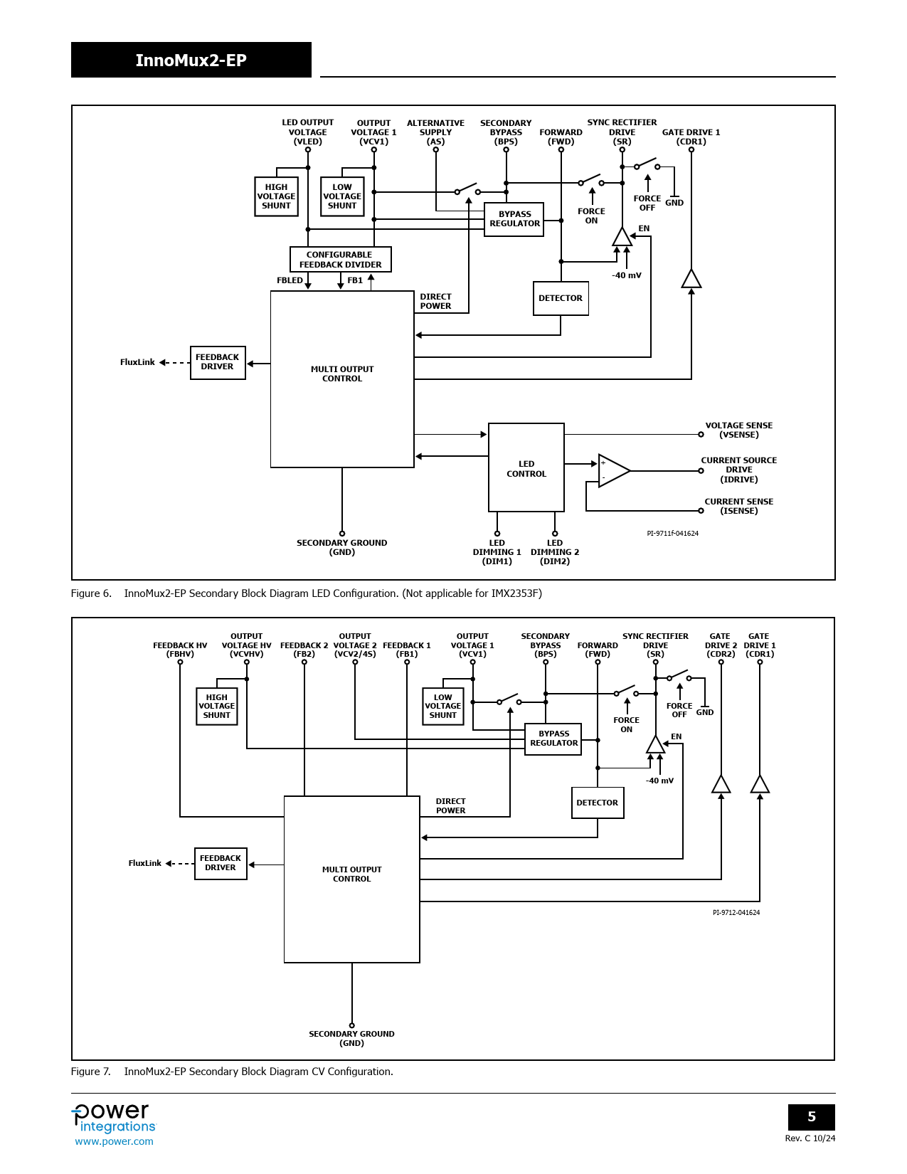
InnoMux2-EP LED OUTPUT OUTPUT ALTERNATIVE SECONDARY SYNC RECTIFIER VOLTAGE VOLTAGE 1 SUPPLY BYPASS FORWARD DRIVE GATE DRIVE 1 (VLED) (VCV1) (AS) (BPS) (FWD) (SR) (CDR1) HIGH LOW VOLTAGE VOLTAGE FORCE SHUNT SHUNT GND OFF BYPASS FORCE REGULATOR ON EN CONFIGURABLE FEEDBACK DIVIDER FBLED -40 mV FB1 DIRECT DETECTOR POWER FluxLink FEEDBACK DRIVER MULTI OUTPUT CONTROL VOLTAGE SENSE (VSENSE) LED
+
CURRENT SOURCE CONTROL DRIVE
-
(IDRIVE) CURRENT SENSE (ISENSE)
PI-9711f-041624
SECONDARY GROUND LED LED (GND) DIMMING 1 DIMMING 2 (DIM1) (DIM2)
Figure 6. InnoMux2-EP Secondary Block Diagram LED Configuration. (Not applicable for IMX2353F)
OUTPUT OUTPUT OUTPUT SECONDARY SYNC RECTIFIER GATE GATE FEEDBACK HV VOLTAGE HV FEEDBACK 2 VOLTAGE 2 FEEDBACK 1 VOLTAGE 1 BYPASS FORWARD DRIVE DRIVE 2 DRIVE 1 (FBHV) (VCVHV) (FB2) (VCV2/4S) (FB1) (VCV1) (BPS) (FWD) (SR) (CDR2) (CDR1) HIGH LOW VOLTAGE VOLTAGE FORCE SHUNT SHUNT OFF GND FORCE BYPASS ON EN REGULATOR -40 mV DIRECT DETECTOR POWER FluxLink FEEDBACK DRIVER MULTI OUTPUT CONTROL
PI-9712-041624
SECONDARY GROUND (GND)
Figure 7. InnoMux2-EP Secondary Block Diagram CV Configuration.
5
Rev. C 10/24 www.power.com