News
Articles
Biblio
Circuits
Datasheets
Sites
Devices
Prices
More
News
Articles
Biblio
Datasheets
Sites
Devices
e-Newsletter Subscription
Authors
Only-Datasheet.com
About us
For Authors
Cooperation
Advertising
Contacts
ru - Русский
de - Deutsch
es - Espanol
zh - 中文
Search
Datasheets
Datasheet NJW21193G, NJW21194G (ON …
Datasheet NJW21193G, NJW21194G (ON Semiconductor) - 7
Manufacturer
ON Semiconductor
Description
16 Amperes Complementary Silicon Power Transistors 250 Volts, 200 Watts
Pages / Page
9
/
7
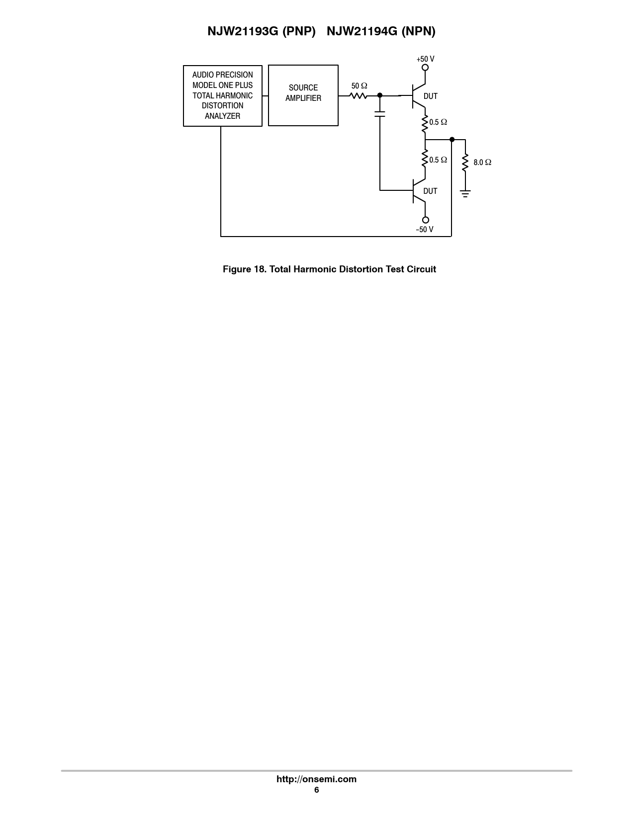
— NJW21193G (PNP) NJW21194G (NPN). Figure 18. Total Harmonic Distortion …
File Format / Size
PDF
/
243 Kb
Document Language
English
NJW21193G (PNP) NJW21194G (NPN). Figure 18. Total Harmonic Distortion Test Circuit. http://onsemi.com
1
2
...
6
7
8
9
Download PDF
1
2
...
6
7
8
9
Model Line for this Datasheet
NJW21193
NJW21193G
NJW21194
NJW21194G
Text Version of Document
NJW21193G (PNP) NJW21194G (NPN)
+50 V AUDIO PRECISION MODEL ONE PLUS SOURCE 50 W TOTAL HARMONIC AMPLIFIER DUT DISTORTION ANALYZER 0.5 W 0.5 W 8.0 W DUT -50 V
Figure 18. Total Harmonic Distortion Test Circuit
http://onsemi.com
6
Subscribe e-Newsletter to Stay Informed on New Materials of Our Website!
Slices
Microcontrollers
e-Newsletter Subscription
Contacts
Privacy Policy
Change Privacy Settings