Datasheet NC7SZ14 (ON Semiconductor) - 6
| Manufacturer | ON Semiconductor |
| Description | TinyLogic UHS Inverter with Schmitt Trigger Input |
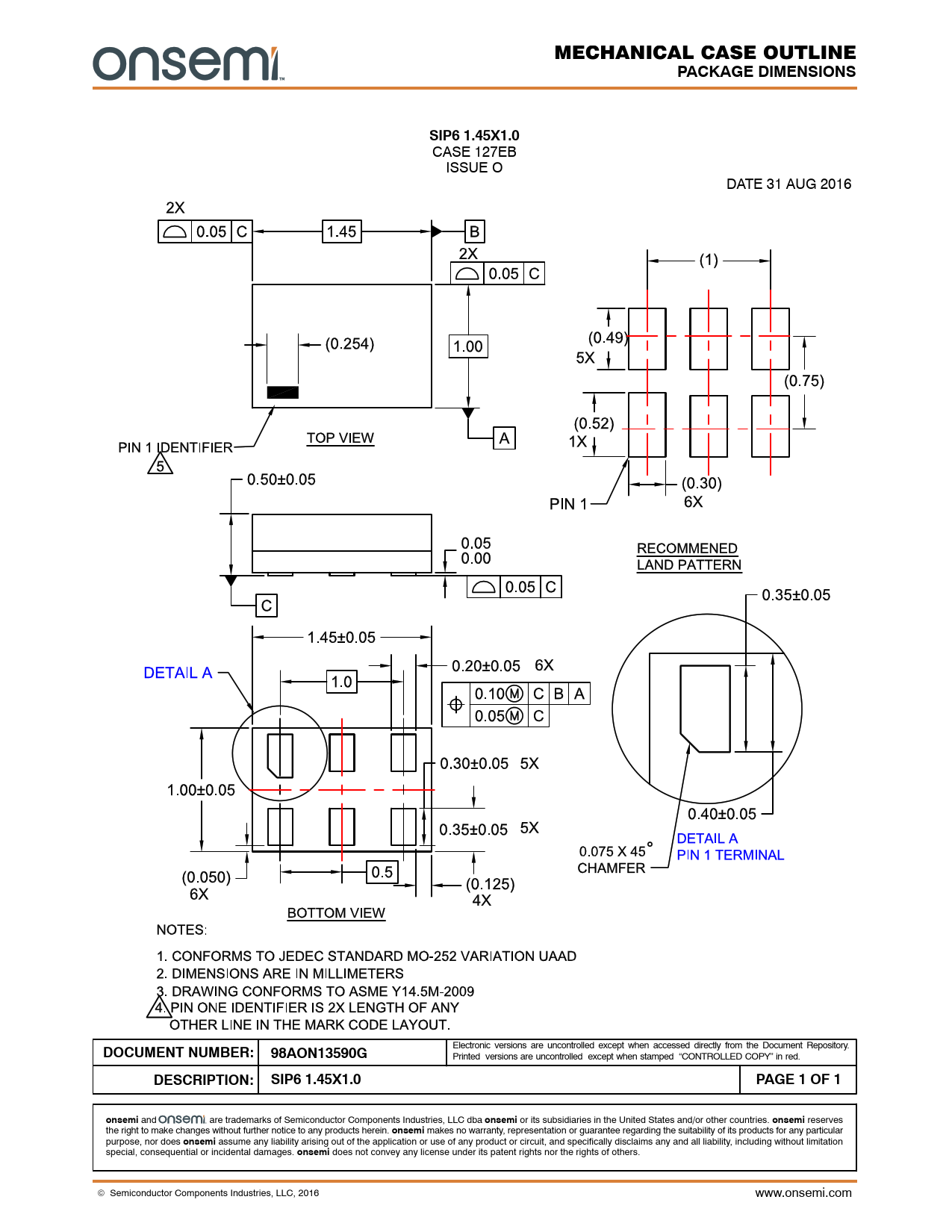
| Pages / Page | 11 / 6 — PACKAGE DIMENSIONS. SIP6 1.45X1.0. DOCUMENT NUMBER: 98AON13590G. … |
| File Format / Size | PDF / 552 Kb |
| Document Language | English |
PACKAGE DIMENSIONS. SIP6 1.45X1.0. DOCUMENT NUMBER: 98AON13590G. DESCRIPTION:. PAGE 1 OF 1. onsemi

Model Line for this Datasheet
Text Version of Document
MECHANICAL CASE OUTLINE
PACKAGE DIMENSIONS SIP6 1.45X1.0
CASE 127EB ISSUE O DATE 31 AUG 2016
DOCUMENT NUMBER: 98AON13590G
Electronic versions are uncontrolled except when accessed directly from the Document Repository. Printed versions are uncontrolled except when stamped “CONTROLLED COPY” in red.
DESCRIPTION: SIP6 1.45X1.0 PAGE 1 OF 1 onsemi
and are trademarks of Semiconductor Components Industries, LLC dba
onsemi
or its subsidiaries in the United States and/or other countries.
onsemi
reserves the right to make changes without further notice to any products herein.
onsemi
makes no warranty, representation or guarantee regarding the suitability of its products for any particular purpose, nor does
onsemi
assume any liability arising out of the application or use of any product or circuit, and specifically disclaims any and all liability, including without limitation special, consequential or incidental damages.
onsemi
does not convey any license under its patent rights nor the rights of others. © Semiconductor Components Industries, LLC, 2016 www.onsemi.com