Datasheet AMS1117 (Advanced Monolithic Systems) - 7
| Manufacturer | Advanced Monolithic Systems |
| Description | 1A Low Dropout Voltage Regulator |
| Pages / Page | 8 / 7 — AMS1117. PACKAGE DIMENSIONS. Advanced Monolithic Systems, Inc |
| File Format / Size | PDF / 95 Kb |
| Document Language | English |
AMS1117. PACKAGE DIMENSIONS. Advanced Monolithic Systems, Inc

Text Version of Document
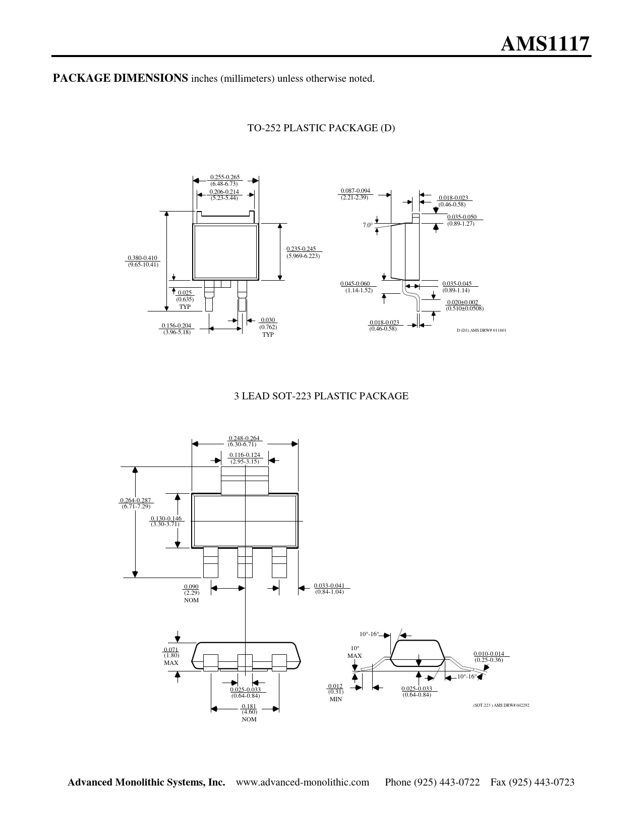
AMS1117 PACKAGE DIMENSIONS
inches (millimeters) unless otherwise noted. TO-252 PLASTIC PACKAGE (D) 0.255-0.265 (6.48-6.73) 0.206-0.214 0.087-0.094 (5.23-5.44) (2.21-2.39) 0.018-0.023 (0.46-0.58) 0.035-0.050 (0.89-1.27) 7.0° 0.235-0.245 (5.969-6.223) 0.380-0.410 (9.65-10.41) 0.045-0.060 0.035-0.045 (1.14-1.52) (0.89-1.14) 0.025 (0.635) 0.020±0.002 TYP (0.510±0.0508) 0.030 0.018-0.023 0.156-0.204 (0.762) (0.46-0.58) D (D3) AMS DRW# 011601 (3.96-5.18) TYP 3 LEAD SOT-223 PLASTIC PACKAGE 0.248-0.264 (6.30-6.71) 0.116-0.124 (2.95-3.15) 0.264-0.287 (6.71-7.29) 0.130-0.146 (3.30-3.71) 0.090 0.033-0.041 (2.29) (0.84-1.04) NOM 10°-16° 0.071 10° (1.80) MAX 0.010-0.014 (0.25-0.36) MAX 10°-16° 0.012 0.025-0.033 0.025-0.033 (0.31) (0.64-0.84) (0.64-0.84) MIN 0.181 (SOT-223 ) AMS DRW# 042292 (4.60) NOM
Advanced Monolithic Systems, Inc.
www.advanced-monolithic.com Phone (925) 443-0722 Fax (925) 443-0723