Datasheet RD-624 (Winsen) - 4
| Manufacturer | Winsen |
| Description | Pyroelectric Infrared Sensor |
| Pages / Page | 8 / 4 — Test Method:. Testing Conditions: |
| File Format / Size | PDF / 448 Kb |
| Document Language | English |
Test Method:. Testing Conditions:

Model Line for this Datasheet
Text Version of Document
Zhengzhou Winsen Electronics Technology Co., Ltd www.winsen-sensor.com
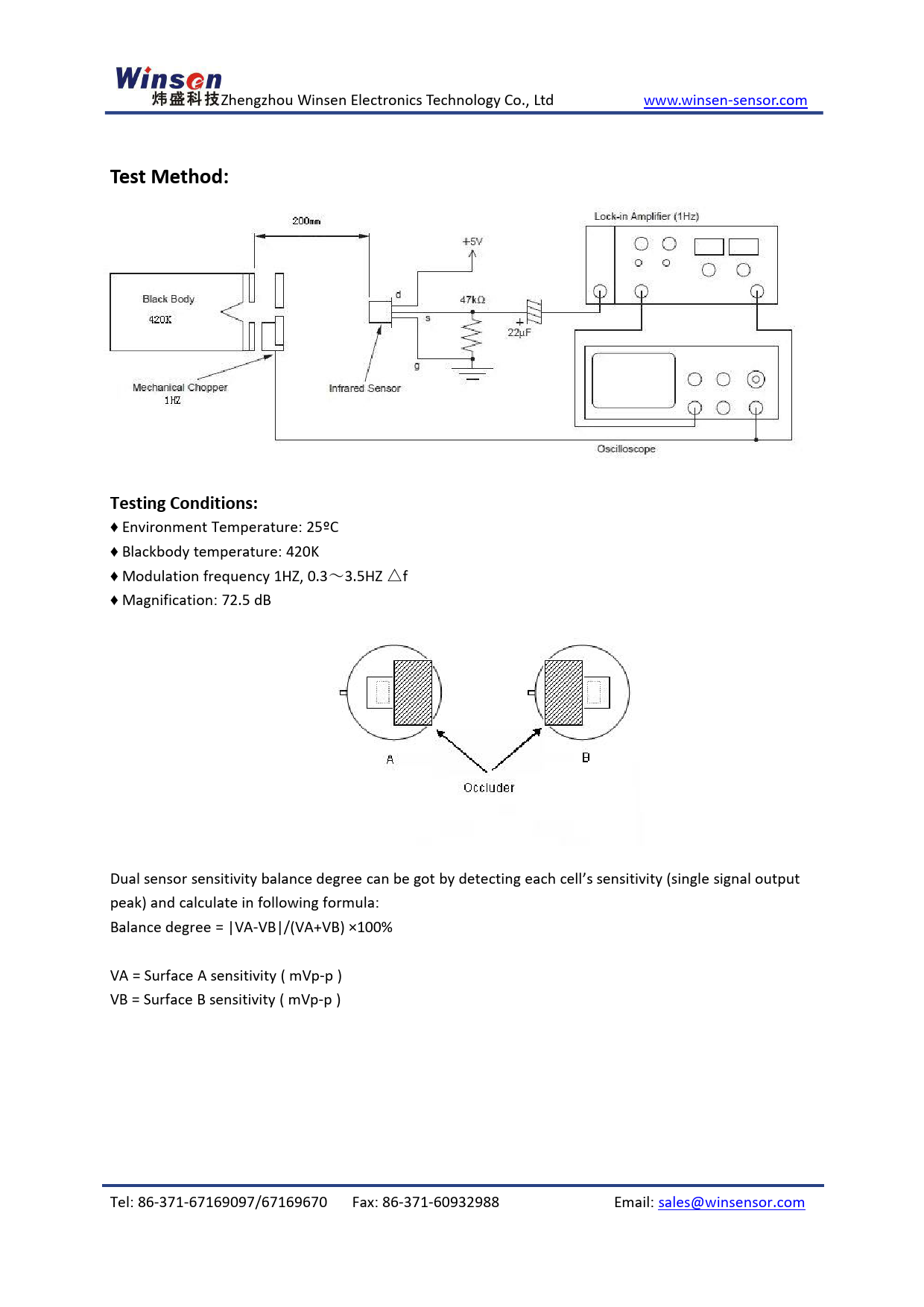
Test Method: Testing Conditions:
♦ Environment Temperature: 25ºC ♦ Blackbody temperature: 420K ♦ Modulation frequency 1HZ, 0.3~3.5HZ △f ♦ Magnification: 72.5 dB Dual sensor sensitivity balance degree can be got by detecting each cel ’s sensitivity (single signal output peak) and calculate in fol owing formula: Balance degree = |VA-VB|/(VA+VB) ×100% VA = Surface A sensitivity ( mVp-p ) VB = Surface B sensitivity ( mVp-p ) Tel: 86-371-67169097/67169670 Fax: 86-371-60932988 Email: sales@winsensor.com