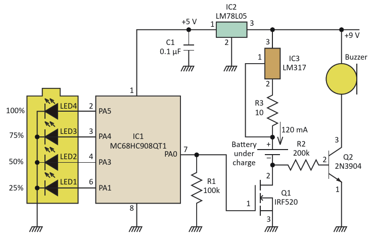
The constant charging current is produced by an LDO and resistor and gated by Q1, which in turn is managed by an output of the microcontroller. A quartet of LEDs, also microcontroller-driven, indicates charge status to the user

AuthorsAbel Raynus
Main DocumentArticle «Simple NiCd Battery Charger Includes Charge Indication»
DescriptionFigure 1
File Format / SizePDF / 30 Kb
Document LanguageEnglish

The constant charging current is produced by an LDO and resistor and gated by Q1, which in turn is managed by an output of the microcontroller A quartet of LEDs, also microcontroller-driven, indicates charge status to the user

Other Materials from the Main Document