News
Articles
Biblio
Circuits
Datasheets
Sites
Devices
Prices
More
News
Articles
Biblio
Datasheets
Sites
Devices
e-Newsletter Subscription
Authors
Only-Datasheet.com
About us
For Authors
Cooperation
Advertising
Contacts
ru - Русский
Search
SubSections
Analog Design
Antique
App Notes
Arduino
Audio
Auto-Audio
Automation
Automotive
Bad Prescript
Beginners
CAD & Soft
Camcorders
Cellular
Computers &
Digital
Domestic
Games
High Voltage
Interfaces
Laser
Light
MCU Usage
Measurement
Medicine
Monitors
Music
Networks
Oscillators
PCB
Platforms
Power
RC Modeling
Radio
Robots
Satellite
Security
Solar
Supply
TV
Telephone
Theory
Tools and Tec
Video
Wind Energy
Wireless
Manufacturers
Circuits
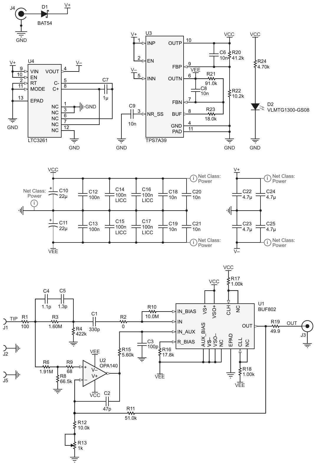
Complete schematic diagram of …
Complete schematic diagram of the probe
Authors
James Wilson
Main Document
Article «
2 GHz active probe. Part 2
»
Description
Figure 14
File Format / Size
PDF
/
28 Kb
Document Language
English
Download PDF
Other Materials from the Main Document
Article «
2 GHz active probe. Part 2
»
Figure 12. High-level block diagram of the probe design
Figure 13. Simplified schematic of the probe input network
Figure 14. Complete schematic diagram of the probe
Figure 15. openEMS simulation of the input impedance compared to prototype measurement
Subscribe e-Newsletter to Stay Informed on New Materials of Our Website!
Slices
Microcontrollers
e-Newsletter Subscription
Contacts
Privacy Policy
Change Privacy Settings