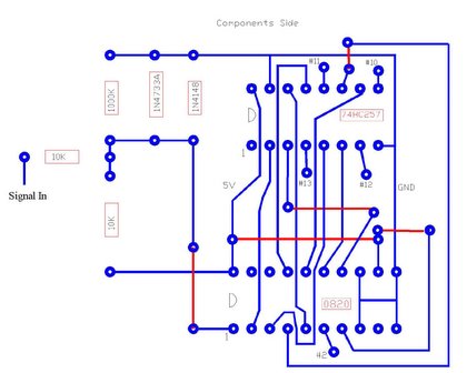
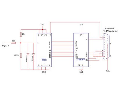
ScopeOnPC is a free software that uses the PC parallel port and an ADC (Analog To Digital converter) circuit to turn your PC into a full featured ocliloscope.



Key Features
- Sampling: 100K Samples per second (DOS version) -100KHz
- Sampling: 40K Samples per second (Windows version) - 40KHz
- -5 V To +5V Input Range
- -50V To +50V Olerload Protection
- 8 Bit Resolution
- Scope Timebases:100uS/Div To 100mS/Div
- Scope Volts/Div: 100mV/Div To 5V/Div
- Works with ANY parallel port

The ScopeOnPC for DOS can run under DOS , or in Windows 95/98/2000/XP/Vista window.
The program is very small and very fast as most of it was written in Assembler
ScopeOnPC For Windows
Installation:
- Download and unzip ScopeOnPC for Windows
- Run the setup program
- If you receive a DLL error, copy the file inpout32.dll to your system folder (parallel port interface).
