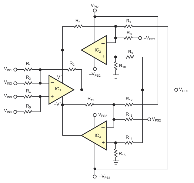
Наибольший диапазон напряжений можно получить, используя отдельные источники питания, - один для нормальных напряжений усилителя и один для регулируемой части выходного напряжения

AuthorsYakov Velikson
Main DocumentСтатья «Управляемый источник питания расширяет диапазон выходных напряжений усилителя»
DescriptionРисунок 3
File Format / SizePDF / 28 Kb
Document LanguageRussian

Наибольший диапазон напряжений можно получить, используя отдельные источники питания, - один для нормальных напряжений усилителя и один для регулируемой части выходного напряжения

Other Materials from the Main Document