News
Articles
Biblio
Circuits
Datasheets
Sites
Devices
Prices
More
News
Articles
Biblio
Datasheets
Sites
Devices
e-Newsletter Subscription
Authors
Only-Datasheet.com
About us
For Authors
Cooperation
Advertising
Contacts
ru - Русский
Search
SubSections
El.Components
ADC, DAC
Amplifiers
Capacitors
Cellular
Discretes
Drivers
El.Comp.Tech.
Interfaces
Logic
MCU
MEMS
Memory
Optoelectron.
Processors
Program.Logic
RF
Sensors
Supply
Wireless
El.Engineer.
Adv. Tech
Analog Design
Antique
App Notes
Arduino
Audio
Automation
Automotive
Beginners
CAD & Soft
Camcorders
Computers &
Digital
Domestic
Games
High Voltage
Interfaces
Laser
Light
MCU Usage
Measurement
Medicine
Monitors
Networks
Oscillators
PCB
Platforms
Power
RC Modeling
Radio
Robots
Satellite
Security
Solar
Supply
TV
Telephone
Theory
Tools and Tec
Video
Wind Energy
Wireless
Consumer Tech
Audio
Climate Tech
Communic.
Computers &
Future Tech
Manufacturers
Articles
A two-switch topology reduces …
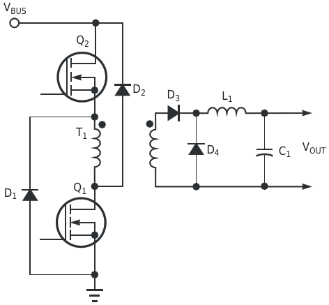
A two-switch topology reduces the transistors' voltage stress to the bus voltage
Authors
Robert Bell
Main Document
Article «
Two-switch topology benefits forward and flyback power converters
»
Description
Figure 2
File Format / Size
PDF
/
11 Kb
Document Language
English
Download PDF
Other Materials from the Main Document
Article «
Two-switch topology benefits forward and flyback power converters
»
Figure 1. The traditional forward converter puts a comparatively large voltage stress on the switching transistor
Figure 2. A two-switch topology reduces the transistors' voltage stress to the bus voltage
Figure 3. A simple transformer isolated gate drive synchronously operates both primary-side switches
Figure 4. The traditional flyback converter puts a voltage stress on the switching transistor comparable with the stress of the one-switch forward converter
Figure 5. Like the forward converter, the two-switch flyback benefits from fixed stresses on the switching components and lower noise
Subscribe e-Newsletter to Stay Informed on New Materials of Our Website!
Slices
Microcontrollers
e-Newsletter Subscription
Contacts
Privacy Policy
Change Privacy Settings