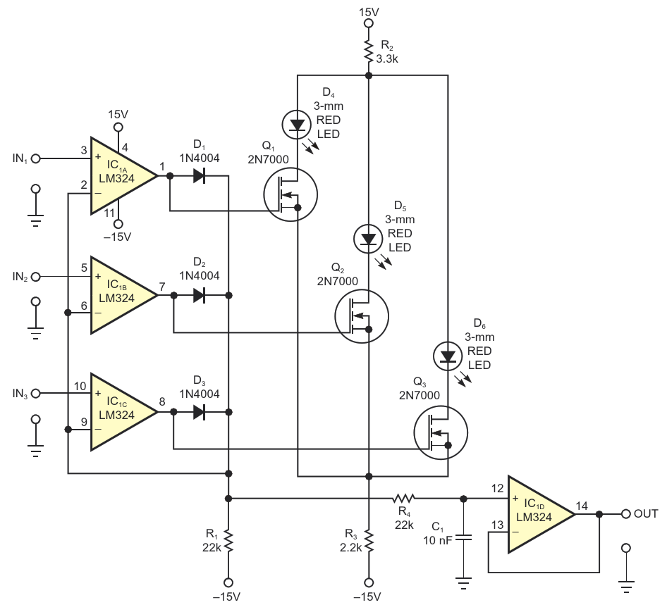
This circuit's output voltage tracks and indicates the highest of three input voltages and can drive an external strip-chart recorder or alarm comparator

AuthorsEzio Rizzo, Vincenzo Pronzato
Main DocumentArticle «Simple circuits sort out the highest voltage»
DescriptionFigure 1
File Format / SizePDF / 34 Kb
Document LanguageEnglish

This circuit's output voltage tracks and indicates the highest of three input voltages and can drive an external strip-chart recorder or alarm comparator

Other Materials from the Main Document