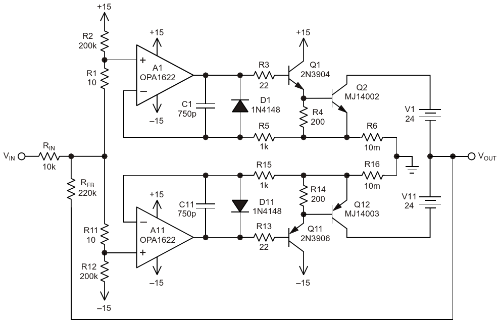
Schematic of high output voltage swing current booster. Higher swing is provided by using floating power supplies and taking the output from the collectors of the output transistors. Note global feedback in order to close the loop around the output stage

AuthorsJerry Steele
Main DocumentArticle «Class-AB current booster provides high output voltage swing»
DescriptionFigure 1
File Format / SizePDF / 17 Kb
Document LanguageEnglish

Schematic of high output voltage swing current booster Higher swing is provided by using floating power supplies and taking the output from the collectors of the output transistors Note global feedback in order to close the loop around the output stage