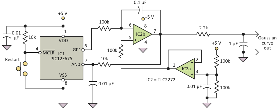
The Gaussian curve generator circuit takes advantage of dynamic reassignment functionality of a microcontroller's I/O pin, operating in coordination with an op amp functioning as an integrator

AuthorsDev Gualtieri
Main DocumentArticle «Microcontroller Generates Analog Gaussian Waveform Without Need for a DAC»
DescriptionFigure 1
File Format / SizePDF / 33 Kb
Document LanguageEnglish

The Gaussian curve generator circuit takes advantage of dynamic reassignment functionality of a microcontroller's I/O pin, operating in coordination with an op amp functioning as an integrator

Other Materials from the Main Document