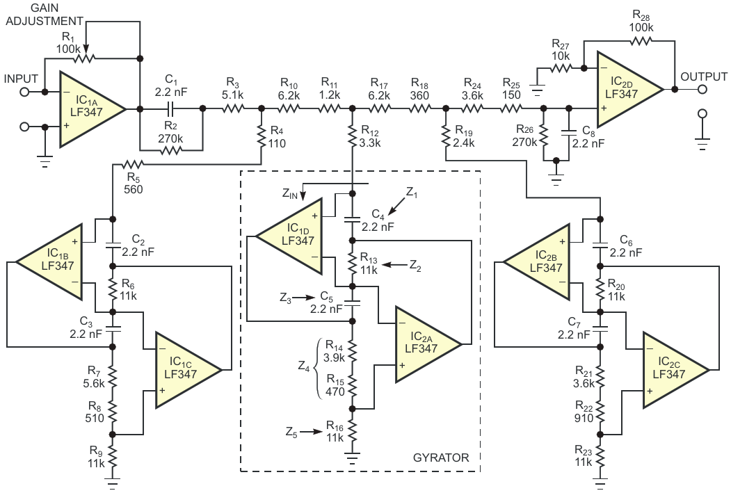
The finished circuit design eliminates inductors and substitutes gyrators as "supercapacitors." Using medium- tolerance components and quad op amps to reduce component count minimizes circuit cost

AuthorsPilar Molina, Diego Puyal
Main DocumentArticle «"Brick-wall" lowpass audio filter needs no tuning»
DescriptionFigure 2
File Format / SizePDF / 21 Kb
Document LanguageEnglish

The finished circuit design eliminates inductors and substitutes gyrators as supercapacitors Using medium- tolerance components and quad op amps to reduce component count minimizes circuit cost

Other Materials from the Main Document