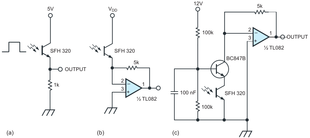
A basic phototransistor (a) has a 5- to 8-μsec rise/fall time with a 1-k. resistor. An op amp can improve a phototransistor's response time (b) but performs poorly without additional phase compensation. Alternatively, you can use a transistor to isolate t

AuthorsDavid Magliocco
Main DocumentArticle «Circuit optimizes phototransistor bandwidth»
DescriptionFigure 1
File Format / SizePDF / 14 Kb
Document LanguageEnglish

A basic phototransistor (a) has a 5- to 8-μsec rise/fall time with a 1-k resistor An op amp can improve a phototransistor's response time (b) but performs poorly without additional phase compensation Alternatively, you can use a transistor to isolate t

Other Materials from the Main Document