Hua (Walker) Bai
Electronic Design
LED applications are booming: backlighting for LCD TVs, projectors, and computer displays, camera flashes, and vehicle brake lights and taillights are just a few. All require constant-current LED drivers that offer a high dimming ratio, high efficiency, precise adjustable current, and low cost.
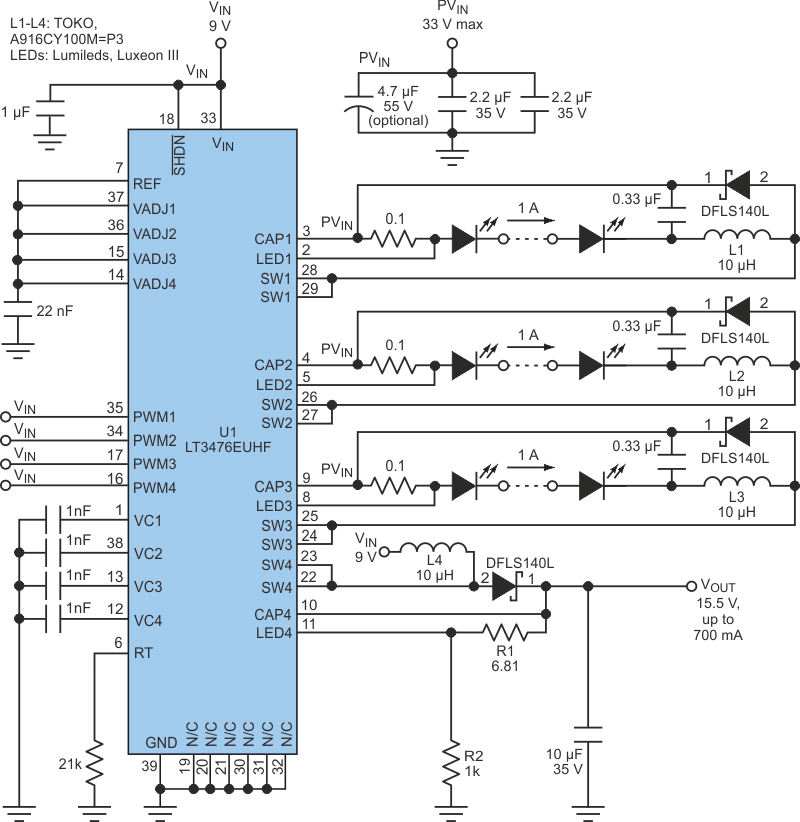
To save space, some LED drivers can handle multiple strings of LEDs. For instance, the LT3476 drives four LED strings, totaling 100 W. If all of the driver channels aren’t needed for LEDs, leftover channels can be used to produce regulated power supplies, eliminating additional circuitry required for a separate supply. This article shows how to do just that – use a four-channel LED driver to drive three constant-current RGB LED strings and employ the fourth channel as a constant-voltage source.
The example system is an LCD projector that requires three color LED strings: red, blue, and green. Each string uses 1-A LEDs and is driven in a buck mode topology (see Figure 1). The LCD panel also requires a bias voltage, which is supplied by the fourth LT3476 channel.
![]() |
||
| Figure 1. | Designers can save space and reduce component count by using an otherwise unneeded channel of a multichannel LED driver to create a constant-voltage source in boost mode. |
|
To use the fourth channel as a voltage source, the channel’s CAP and LED pins must be properly tied to the top voltage-sense resistor (R1). This configuration creates a boost circuit that generates a 15.5-V output at 700 mA from a 9-V supply, with 90% efficiency.
In a classical voltage-regulator design, you can assume the voltage-feedback error amplifier draws no current (actually, in the 10-nA range) from the output. This isn’t true in the example circuit. The driver’s CAP pin and LED pin bias currents are on the order of 70 µA. This level is necessary for the high-side current sensing required to properly drive the LEDs. As a result, R1 has to be small enough to limit the error caused by the bias current. The recommendation is less than 15 W. Given VOUT and R2, R1 can be calculated using the equation:

where 0.105 V is the regulated sense voltage between CAP and LED when the VADJ pin is tied to the REF pin.
