Two Drivers in One Package Share Charge Pump Components to Save PCB Space
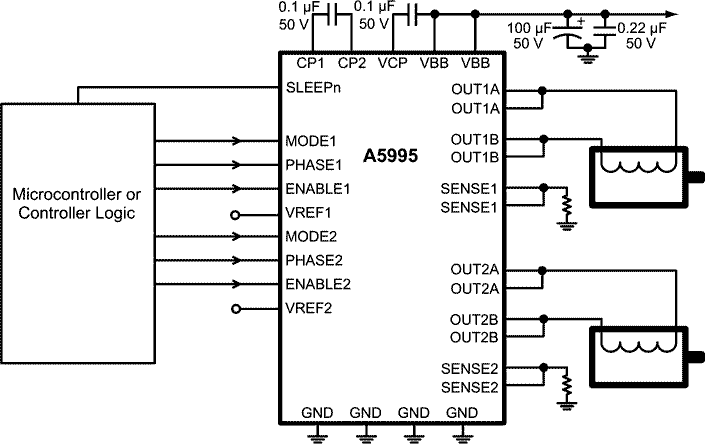
Allegro MicroSystems, LLC announces a new 40 V dual full-bridge driver capable of driving two DC motors with outputs rated up to 3.2 A. Allegro’s A5995 device includes fixed off-time pulse-width modulation (PWM) regulators for current control. Each DC motor can be controlled in forward, reverse, coast and brake modes with industry standard PHASE, ENABLE inputs. Fast or slow PWM current decay is selected via the MODE input. This new device is targeted at the consumer, industrial and office automation markets with end applications that include, laser, inkjet and label printers, copiers, vending, robot vacuums, and ATM machines.

Protection features include thermal shutdown with hysteresis, under voltage lockout (UVLO), crossover current, and over current protection. Low current sleep mode is included to improve efficiency.
![]() |
| The A5995 Typical Application Circuit. |
The A5995 is supplied in a leadless 6 mm × 6 mm × 0.9 mm, 36-pin QFN package with exposed power tab for enhanced thermal performance. The package is lead (Pb) free, with 100% matte-tin leadframe plating.
