Linear Technology Corporation introduces the LTM2887, a 6-channel SPI/Digital or I2C μModule® isolator with dual rail regulated power that targets low voltage components, including newer DSPs and microprocessors. Two well-regulated adjustable supply rails (up to 5 V) deliver more than 100 mA of load current over the isolation barrier, with up to 62% efficiency. The voltages may be adjusted as low as 0.6 V for the auxiliary supply, while the isolated logic supply may be as low as 1.8 V for SPI interfaces. Each supply provides a precise current limit adjustment pin and the ability to adjust the voltage using external resistors.

In industrial system applications, ground potentials can vary widely, often exceeding the tolerable range, interrupting communications or even destroying components. The LTM2887 breaks ground loops by electrically isolating the logic level interface on each side of an internal isolation barrier. This inductively coupled barrier withstands very large ground differential voltages up to 2,500 VRMS.
A low EMI isolated DC/DC converter powers the LTM2887 and provides the isolated power to the communications interface and output rails. A separate logic supply pin provides direct interfacing with low voltage microcontrollers down to 1.62 V, and an ON pin enables the LTM2887 to be shutdown and use less than 10 μA. The LTM2887 provides uninterrupted communications for common mode transients greater than 30 kV/μs and rugged ±10 kV ESD (HBM) protection across the isolation barrier.
The LTM2887 is available in two communications interface versions. The LTM2887-I is I2C compliant at up to 400 kHz with bidirectional serial data (SDA) plus clock (SCL) and three additional isolated CMOS logic signals that operate at up to 10 MHz. The LTM2887-S is SPI-compliant and offers a total of six CMOS digital isolator communication channels. All channels operate at up to 10 MHz and include three forward direction signals and three reverse direction signals (SDO, DO1 and DO2). When configured for SPI communications, the maximum clock rate is 8 MHz for unidirectional communication or 4 MHz for round-trip bidirectional operation.
![]() |
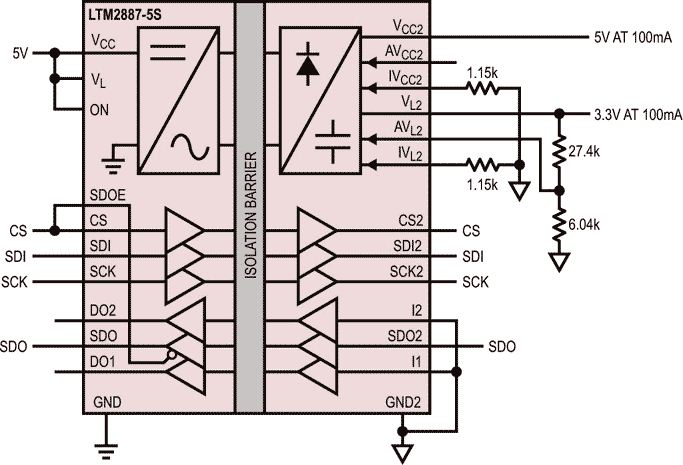
| Typical Application: Isolated 4 MHz SPI Interface. |
The LTM2887 is available in 3.3 V or 5 V supply voltage versions and is offered in a 15 mm × 11.25 mm surface mount BGA package; all integrated circuits and passive components are housed in this RoHS-compliant μModule package. The LTM2887 is available in commercial, industrial and automotive versions, supporting operating temperature ranges from 0 °C to 70 °C, –40 °C to 85 °C and –40 °C to 105 °C respectively. Pricing starts at $12.25 each in 1,000 piece quantities.
Summary of Features: LTM2887
- 6 Channel Logic Isolator: 2500 VRMS
- Isolated DC Power:
- 1.8 V to 5 V Isolated Logic Supply at Up to 100 mA
- 0.6 V to 5 V Auxiliary Supply at Up to 100 mA
- No External Components Required
- High Common Mode Transient Immunity: 30 kV/μs
- High Speed Operation:
- 10 MHz Digital Isolation (LTM2887-S)
- 8 MHz/4 MHz SPI Isolation (LTM2887-S)
- 400 kHz I2C compliant Isolation (LTM2887-I)
- 3.3 V (LTM2887-3) or 5 V (LTM2887-5) Operation
- 1.62 V to 5.5 V Logic Supply for Flexible Digital Interfacing
- ±10 kV ESD HBM Across the Isolation Barrier
- 15 mm × 11.25 mm × 3.42 mm BGA Package
