Fully Integrated Devices Simplify Customers' Design Challenges while Extending Connectivity Range and Enhancing Product Performance
Skyworks Solutions introduced a new family of highly integrated wireless networking solutions for mobile and Internet of Things (IoT) ecosystems. The new SkyOne® WiFi suite combines Skyworks' industry-leading integration expertise and advanced 802.11ac technology to provide customers with a comprehensive front-end module in a single placement, compact footprint. Specifically, these new products incorporate all key radio frequency blocks between the Wi-Fi system-on-chip (SoC) and the antenna, unburdening customers of complex RF design challenges, while reducing time to market. This unique platform significantly improves the Wi-Fi system performance when compared to other standard SoC platforms and further mitigates interference with other radios, extending range and increasing throughput to greatly improve the user experience. The SKY85812-11, the first in the SkyOne® WiFi series of products, is currently shipping in flagship platforms globally with a top tier smartphone OEM.

"Today's mobile and IoT devices are now supporting up to 20 bands and require both seamless and robust Wi-Fi functionality to meet growing requirements from carrier offload, voice over IP and other bandwidth-intensive applications," said David Stasey, general manager and vice president of Diversified Analog Solutions at Skyworks. "Building upon our highly successful SkyOne® cellular platforms, Skyworks is now pleased to offer Wi-Fi solutions that deliver optimum levels of integration and performance."
![]() |
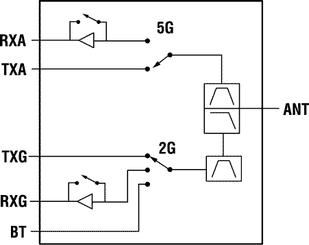
| SKY85812-11 Block Diagram. |
According to ABI Research, more than 20 billion Wi-Fi chipsets are expected to be shipped between 2016 and 2021, particularly as Wi-Fi solutions expand beyond their traditional usage applications, frequency bands, device types and performance requirements. They also expect more than 95 percent of devices shipped in 2021 to support 5 GHz Wi-Fi, signifying increased spectrum sharing with cellular technologies.
About SkyOne® W-iFi
The SKY85812-11 is dual-band front-end module incorporating a 5 GHz bypass low noise amplifier with single-pole, double-throw transmit/receive switch and a 2.4 GHz bypass low noise amplifier with single-pole, triple-throw switch with Bluetooth® port that allows for Wi-Fi antenna sharing. The SKY85812-11 also includes a 2 GHz LTE coexistence filter and diplexer – all designed into a compact, 16-pin 3 × 3 mm package.
Skyworks' SKY85812-11 is currently available for sampling and production.
