News
Articles
Biblio
Circuits
Datasheets
Sites
Devices
Prices
More
News
Articles
Biblio
Datasheets
Sites
Devices
e-Newsletter Subscription
Authors
Only-Datasheet.com
About us
For Authors
Cooperation
Advertising
Contacts
ru - Русский
Search
SubSections
El.Components
ADC, DAC
Amplifiers
Capacitors
Cellular
Discretes
Drivers
El.Comp.Tech.
Interfaces
Logic
MCU
MEMS
Memory
Optoelectron.
Processors
Program.Logic
RF
Sensors
Supply
Wireless
El.Engineer.
Adv. Tech
Analog Design
Antique
App Notes
Arduino
Audio
Automation
Automotive
Beginners
CAD & Soft
Camcorders
Computers &
Digital
Domestic
Games
High Voltage
Interfaces
Laser
Light
MCU Usage
Measurement
Medicine
Monitors
Networks
Oscillators
PCB
Platforms
Power
RC Modeling
Radio
Robots
Satellite
Security
Solar
Supply
TV
Telephone
Theory
Tools and Tec
Video
Wind Energy
Wireless
Consumer Tech
Audio
Climate Tech
Communic.
Computers &
Future Tech
Manufacturers
Articles
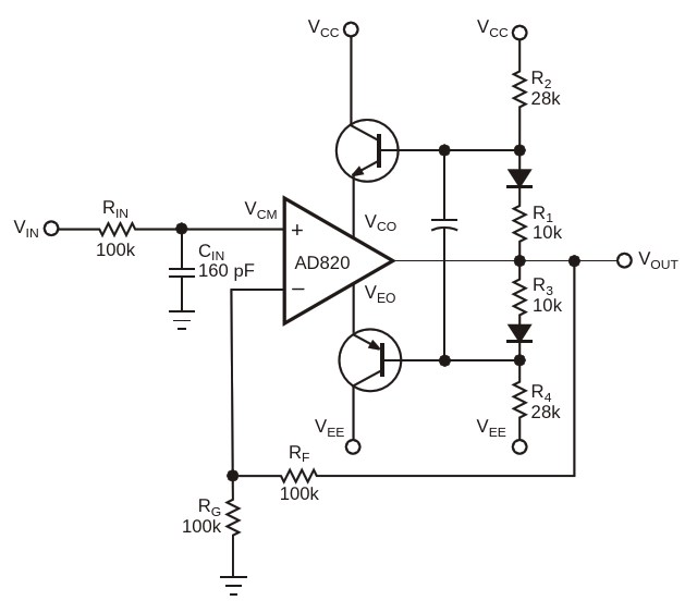
This basic circuit uses …
This basic circuit uses a pair of complementary discrete transistors to boost the output swing of a lower-voltage op amp
Authors
Bill Schweber
Main Document
Article «
Learning to like high-voltage op-amp ICs
»
Description
Figure 1
File Format / Size
PDF
/
20 Kb
Document Language
English
Download PDF
Other Materials from the Main Document
Article «
Learning to like high-voltage op-amp ICs
»
Figure 1. This basic circuit uses a pair of complementary discrete transistors to boost the output swing of a lower-voltage op amp
Figure 2. An improved voltage-boosting circuit requires significantly more components to ensure symmetrical and linear performance across the output's swing range
Figure 3. The Texas Instruments OPA462 op amp can provide ±90 V outputs while delivering to 30 mA typical
Figure 4. The ADHV4702-1 from Analog Devices is a 220-V device that can use symmetrical or asymmetrical bipolar supplies
Subscribe e-Newsletter to Stay Informed on New Materials of Our Website!
Slices
Microcontrollers
e-Newsletter Subscription
Contacts
Privacy Policy
Change Privacy Settings