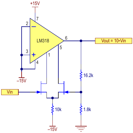
My favorite design idea drawn from memory. The cleverness of using the LM318 for all the backend circuitry along with a user selectable input stage just had universal appeal for me and others as it was used many more times in the coming years

AuthorsSteve Hageman
Main DocumentArticle «My favorite design idea of all time…»
DescriptionFigure 2
File Format / SizePDF / 10 Kb
Document LanguageEnglish

My favorite design idea drawn from memory The cleverness of using the LM318 for all the backend circuitry along with a user selectable input stage just had universal appeal for me and others as it was used many more times in the coming years

Other Materials from the Main Document