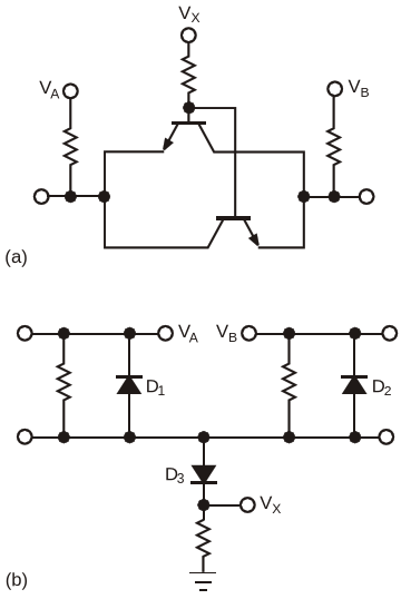
An open-collector or open-drain circuit (a) typically interfaces between two systems that operate at two arbitrary voltages. A diode-based circuit (b) can extract the lower operating voltage

AuthorsCC Poon, Edward Chui
Main DocumentArticle «Low-voltage interface circuits translate 1.8 to 5V»
DescriptionFigure 1
File Format / SizePDF / 20 Kb
Document LanguageEnglish

An open-collector or open-drain circuit (a) typically interfaces between two systems that operate at two arbitrary voltages A diode-based circuit (b) can extract the lower operating voltage

Other Materials from the Main Document