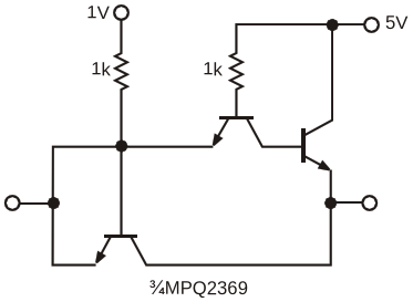
The ultimate 1-to-5V up-shifting driver in the laboratory produces a symmetrical delay of 6 nsec using three-fourths of an MPQ2369 when driving a single 74AC541 buffer

AuthorsCC Poon, Edward Chui
Main DocumentArticle «Low-voltage interface circuits translate 1.8 to 5V»
DescriptionFigure 3
File Format / SizePDF / 16 Kb
Document LanguageEnglish

The ultimate 1-to-5V up-shifting driver in the laboratory produces a symmetrical delay of 6 nsec using three-fourths of an MPQ2369 when driving a single 74AC541 buffer

Other Materials from the Main Document